ELTIS VC4/1-3
- Производитель: ELTIS
- Пришлите полную спецификацию на почту zakaz@deviceden.ru и получите оптовую скидку.
- Срок доставки:1-2 дня
- Минимальный заказ:3000 руб.
- Мы принимаем:Безналичная оплата для юр. лиц

сертифицирован

дилер

доставка
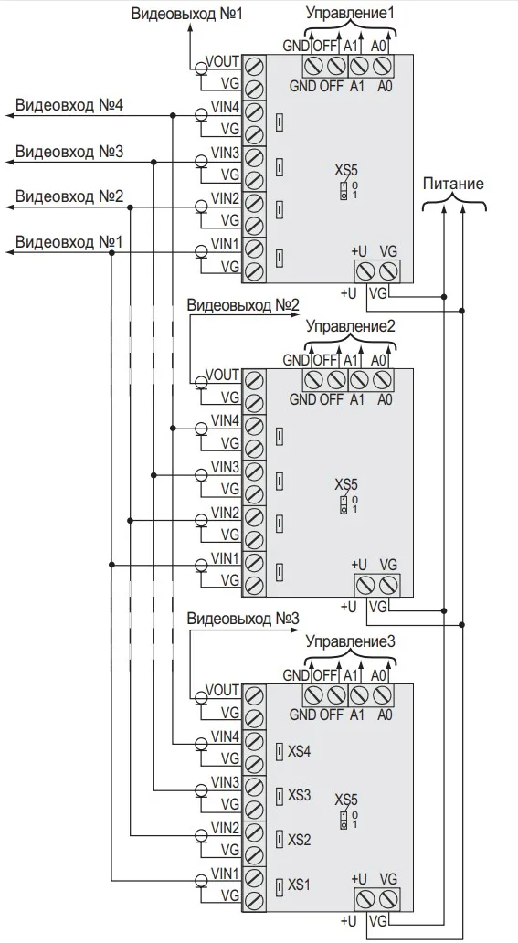
Видеокоммутатор ELTIS VC4/1-3 для домофонных систем ELTIS серий DP300, DP303, DP305, DP5000. Предназначен для построения видеодомофонных систем для подъездов (секций) с несколькими входами, для подключения видеодомофонов, установленных на калитках входа на придомовую территорию. Обеспечивает управляемую коммутацию 4-х видеолиний блоков вызова домофонов к видеолинии подъезда. Совместим с управляющими коммутаторами блоков вызова ELTIS КМ300-4.2 или ELTIS КМ500-8.1 (возможно совместное подключение 2-х видеокоммутаторов ELTIS VC4/1-3).
Питание +9В…25В.
Коммутация — винтовые колодки. Малогабаритный плоский корпус для удобства размещения в нишах слаботочных стояков или боксах. Предусмотрены отверстия для крепления на стену и зажим для DIN-рейки. Планка фиксации кабелей внутри корпуса для предотвращения «выдергивания». Конструкция крышки корпуса позволяет производить опечатывание для выявления несанкционированного вскрытия.
Комплект поставки:
- Коммутатор VC4/1-3 - 1шт.
- Коробка упаковочная - 1шт.
- Паспорт 1.шт.
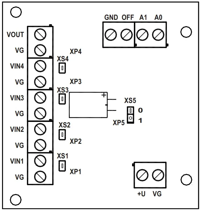
Вид платы РЕ61 со стороны разъемов
Схема подключения двух ВК для коммутации 8 видеовходов на один выход
Схема параллельного подключения ВК

- Количество видеовходов: 4
- Количество видеовыходов: 1
- Активное выходное сопротивление, Ом, номинал: 75
- Выходное сопротивление в Z состоянии, Ом не менее: 750
- Уровень лог 0 на входах А0, А1, OFF, В: 01
- Уровень лог 1 на входах А0, А1, OFF, В: 412
- Максимальная амплитуда входного сигнала, В: 1
- Рабочая полоса частот, Гц: 50...6*106
- Коэффициент усиления при нагрузке 75Ом: 1
- Напряжение питания, В: +9...+25
- Ток, потребляемый устройством, А, не более: 0,15
- Режим работы: непрерывный
- Габаритные размеры, мм, не более: 136х80х30
- Масса, кг, не более: 0,13
- Температура окружающей среды: -10...+40С
- Относительная влажность: до 90%
- Атмосферное давление: 650...800 мм. рт. ст.
ВНИМАНИЕ!! Минимальная сумма заказа 3000 руб.
В онлайн гипермаркете Device Den вы можете оплатить заказ через:
- Безналичный расчёт (доступен для юридических лиц)
- Оплата картой онлайн
Для выбора оплаты товара с помощью банковской карты на странице заказа необходимо выбрать способ оплаты «Оплата картой онлайн». Оплата происходит через платёжную систему Robokassa с использованием банковских карт следующих платежных систем: Мир, Visa и MasterCard
Принимаем оплату только в рублях. Цены всех товаров, кроме лицензий на программное обеспечение, включают в себя НДС.
Мы не принимаем карты American Express.
Описание процесса передачи данных
Для оплаты (ввода реквизитов Вашей карты) Вы будете перенаправлены на платёжный шлюз платежного сервиса Робокасса. Соединение с платёжным шлюзом и передача информации осуществляется в защищённом режиме с использованием протокола шифрования SSL. В случае если Ваш банк поддерживает технологию безопасного проведения интернет-платежей Verified By Visa, MasterCard SecureCode, MIR Accept, J-Secure для проведения платежа также может потребоваться ввод специального пароля.
Настоящий сайт поддерживает 256-битное шифрование. Конфиденциальность сообщаемой персональной информации обеспечивается платежным сервисом Робокасса. Введённая информация не будет предоставлена третьим лицам за исключением случаев, предусмотренных законодательством РФ. Проведение платежей по банковским картам осуществляется в строгом соответствии с требованиями платёжных систем МИР, Visa Int., MasterCard Europe Sprl, JCB.
Курьерская доставка в нашем магазине работает с 9:00 до 23:00 без выходных по Москве и ближайшей МО. Обратите внимание, что курьер передает товар для проверки только после оплаты и не консультирует по приобретённому товару. Доставка во все регионы России осуществляется круглосуточно с помощью транспортных компаний. Самовывоз из офиса доступен с пн-пт с 10:00 до 18:00.
- При сумме заказа менее 70 000 рублей - 590 рублей;
- При сумме заказа более 70 000 рублей - бесплатно.
- При сумме заказа менее 150 000 рублей - 890 рублей;
- При сумме заказа более 150 000 рублей - бесплатно.
Примечание! Есть исключения по отправке крупногабаритных грузов.
ВНИМАНИЕ! Отправка заказа в регионы России осуществляется только после 100% предоплаты.
- При наличии товара на складе доставка осуществляется на следующий день;
- Возможна экспресс доставка при оформлении заказа до 12:00 текущего дня;
- При отсутствии товара на складе сроки поставки уточняйте у менеджера.
- Срок доставки в регионы России может составлять от 1 до 14 дней в зависимости от удалённости региона и выбранного способа доставки.
Примечание! Возможна доставка товара до транспортной компании в день оформления заказа.





Примечание! По просьбе клиентов отправляем заказ любой другой транспортной компанией.
Теги: ELTIS, ELTIS VC4/1-3, Предзаказ, Тип, Коммутатор, 2 633 руб.