ELTIS VS1/4-4
- Производитель: ELTIS
- Пришлите полную спецификацию на почту zakaz@deviceden.ru и получите оптовую скидку.
- Срок доставки:1-2 дня
- Минимальный заказ:3000 руб.
- Мы принимаем:Безналичная оплата для юр. лиц

сертифицирован

дилер

доставка
Видеоразветвитель ELTIS VS1/4-4 предназначен для разветвления и усиления видеосигнала от видеокамер блоков вызова домофонов или видеокамер систем видеонаблюдения с возможностью последовательного и параллельного подключения.
Обеспечивает:
- разветвление 1-го входящего видеосигнала на 5 видеовыходов,
- возможность регулировки коэффициента усиления (от 0,5 до 2 раз).
Отличительной особенностью данного видеоразветвителя является полное согласование характеристик входящего и выходящего видеосигнала в рамках видеостандартов PAL/NTSC, что обеспечивает высокое качество передаваемого видеосигнала.
Видеоразветвитель ELTIS VS1/4-4 рекомендуется к установке для передачи видеосигнала в протяженные видеомагистрали (от видеодомофонов калиток входа на придомовую территорию, в стояки домов высокой этажности, для подключения удаленных абонентских видеомониторов).
Питание +9В25В (~8В-20В).
Коммутация винтовые колодки. Малогабаритный плоский корпус для удобства размещения в нишах слаботочных стояков или боксах. Предусмотрены отверстия для крепления на стену и зажим для DIN-рейки. Конструкция крышки корпуса позволяет производить опечатывание для выявления несанкционированного вскрытия.
Внешний вид видеоразветвителя

Вид платы видеоразветвителя

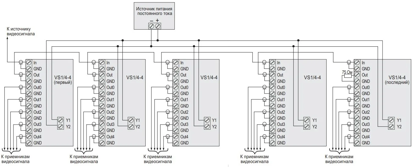
Схема последовательного подключения при питании видеоразветви- телей от общего источника постоянного тока

Схема последовательного подключения при питании видеоразветви- телей от источников переменного ток

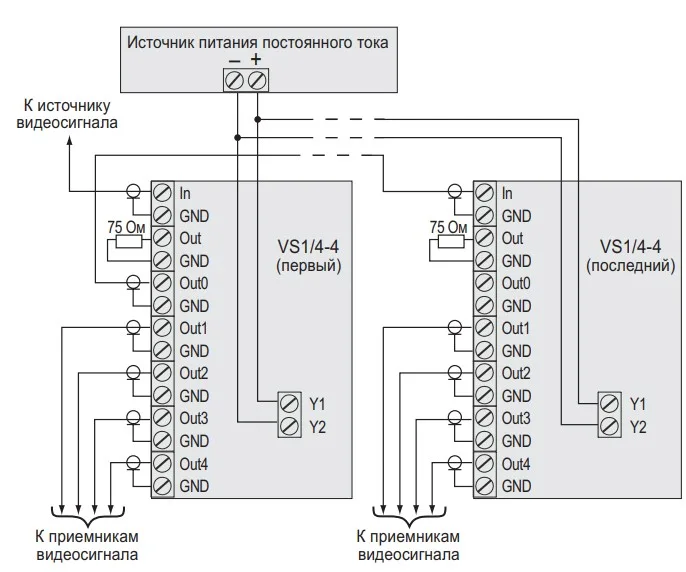
Схема параллельного подключения видеоразветвителей при их питании от общего источника постоянного тока

| Количество видеовыходов (OUT1OUT4) | 4 |
| Количество выходов для последовательного подключения (OUT0) | 1 |
| Количество выходов для параллельного подключения (OUT) | 1 |
| Количество последовательно включаемых устройств (макс.) | 8 |
| Количество параллельно включаемых устройств (макс.) | 5 |
| Время готовности к работе, сек. | 5 |
| Рабочая полоса частот, Гц | 507*106 |
| Максимальный размах входного сигнала, В | 2 |
| Максимальный размах выходного сигнала, В | 2 |
| Коэффициент усиления | 0,52 |
| Напряжение питания, В | +(925)~(820) |
| Ток, потребляемый устройством, А, не более | 0,065 |
| Габаритные размеры, мм, не более | 136 х 80 х 30 |
| Масса, кг, не более | 0,09 |
ВНИМАНИЕ!! Минимальная сумма заказа 3000 руб.
В онлайн гипермаркете Device Den вы можете оплатить заказ через:
- Безналичный расчёт (доступен для юридических лиц)
- Оплата картой онлайн
Для выбора оплаты товара с помощью банковской карты на странице заказа необходимо выбрать способ оплаты «Оплата картой онлайн». Оплата происходит через платёжную систему Robokassa с использованием банковских карт следующих платежных систем: Мир, Visa и MasterCard
Принимаем оплату только в рублях. Цены всех товаров, кроме лицензий на программное обеспечение, включают в себя НДС.
Мы не принимаем карты American Express.
Описание процесса передачи данных
Для оплаты (ввода реквизитов Вашей карты) Вы будете перенаправлены на платёжный шлюз платежного сервиса Робокасса. Соединение с платёжным шлюзом и передача информации осуществляется в защищённом режиме с использованием протокола шифрования SSL. В случае если Ваш банк поддерживает технологию безопасного проведения интернет-платежей Verified By Visa, MasterCard SecureCode, MIR Accept, J-Secure для проведения платежа также может потребоваться ввод специального пароля.
Настоящий сайт поддерживает 256-битное шифрование. Конфиденциальность сообщаемой персональной информации обеспечивается платежным сервисом Робокасса. Введённая информация не будет предоставлена третьим лицам за исключением случаев, предусмотренных законодательством РФ. Проведение платежей по банковским картам осуществляется в строгом соответствии с требованиями платёжных систем МИР, Visa Int., MasterCard Europe Sprl, JCB.
Курьерская доставка в нашем магазине работает с 9:00 до 23:00 без выходных по Москве и ближайшей МО. Обратите внимание, что курьер передает товар для проверки только после оплаты и не консультирует по приобретённому товару. Доставка во все регионы России осуществляется круглосуточно с помощью транспортных компаний. Самовывоз из офиса доступен с пн-пт с 10:00 до 18:00.
- При сумме заказа менее 70 000 рублей - 590 рублей;
- При сумме заказа более 70 000 рублей - бесплатно.
- При сумме заказа менее 150 000 рублей - 890 рублей;
- При сумме заказа более 150 000 рублей - бесплатно.
Примечание! Есть исключения по отправке крупногабаритных грузов.
ВНИМАНИЕ! Отправка заказа в регионы России осуществляется только после 100% предоплаты.
- При наличии товара на складе доставка осуществляется на следующий день;
- Возможна экспресс доставка при оформлении заказа до 12:00 текущего дня;
- При отсутствии товара на складе сроки поставки уточняйте у менеджера.
- Срок доставки в регионы России может составлять от 1 до 14 дней в зависимости от удалённости региона и выбранного способа доставки.
Примечание! Возможна доставка товара до транспортной компании в день оформления заказа.





Примечание! По просьбе клиентов отправляем заказ любой другой транспортной компанией.
Теги: ELTIS, ELTIS VS1/4-4, Предзаказ, Тип, Видеоразветвитель, 1 943 руб.