Тахион ТВК-65-IP-4МВБ-V550-PoE+
- Производитель: Тахион
- Пришлите полную спецификацию на почту zakaz@deviceden.ru и получите оптовую скидку.
- Срок доставки:1-2 дня
- Минимальный заказ:3000 руб.
- Мы принимаем:Безналичная оплата для юр. лиц

сертифицирован

дилер

доставка
Видеокамера взрывозащищенная сетевая серии Корунд-ВБ Смарт ТВК-65-IP-4МВБ-V550-PoE+ наружной установки предназначена для визуального (на экране монитора) наблюдения охраняемых (контролируемых) объектов через информационные сети.
Область применения: обеспечение охраны, безопасности и контроля за технологическими процессами взрывоопасных производств нефтяной, нефтеперерабатывающей, нефтехимической, газовой и других промышленностей народного хозяйства, опасных по газу и пыли.
Место установки: наружные пространства и внутренние пространства помещений, классифицированные как взрывоопасные зоны классов 1, 2, 21 и 22 (при классификации по зональному принципу), где возможно образование взрывоопасной смеси группы I и взрывоопасных газовых смесей подгрупп IIА, IIВ, IIC, пылевых сред подгрупп IIIА, IIIВ, IIIC, температурных классов Т1-Т6 или взрывоопасные зоны класса В-I, В-Iа, В-Iб, В-Iг, согласно главе 7.3 Правил устройства электроустановок (ПУЭ).
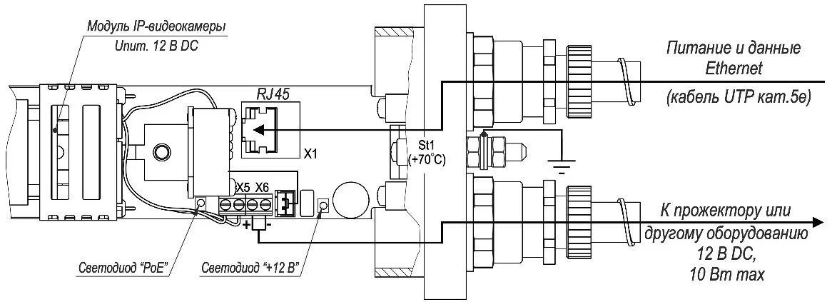
Питание видеокамеры осуществляется от инжектора (коммутатора) PoE стандарта IEEE 802.3af или IEEE 802.3at по кабелю UTP категории 5e (в комплект поставки не входит).
Видеокамера произведена в термокожухе ТГБ-4М Ex IIC, выполненном в виде взрывонепроницаемой оболочки по ГОСТ 31610.0 (IEC 60079‑0), ГОСТ IEC 60079-1, ГОСТ IEC 60079-31 с маркировкой взрывозащиты 1Ex db IIС T6 Gb X / Ex tb IIIC T80C Db X cо степенью защиты IP66/IP68, обеспечиваемой оболочкой, и по уровню защиты относится к взрывобезопасному электрооборудованию.
Видеокамера имеет высокую чувствительность благодаря матрице Старлайт в режиме цвет 0,0001 лк и поддерживает формат видеосжатия H.265+.
Видеокамера имеет функции:
- обнаружения фигур и лиц людей,
- обнаружения пересечения линии или зоны человеком,
- контроля потери изображения при совместной работе с регистраторами смарт.
Изделие обеспечивает:
- автоматическое включение/отключение встроенного обогревателя в заданном диапазоне температур,
- безаварийное включение электропитания IP-видеокамеры при отрицательной температуре внутри термокожуха при перерывах в электропитании, исключая выход IP-видеокамеры из строя при запуске,
- охлаждение IP-видеокамеры при повышенных температурах (встроенный вентилятор).
Смотровое окно выполнено из ударопрочного каленого стекла.
Видеокамера выпускается по техническим условиям ТУ 26.30.50-081-31006686-2019.
Видеокамера соответствует:
- техническим требованиям ГОСТ Р 51558,
- требованиям по безопасности ГОСТ Р МЭК 60065,
- требованиям по ЭМС ГОСТ Р 50009, ГОСТ 30804.3.2, ГОСТ 30804.3.3,
- степени защиты от поражения электрическим током III классу по ГОСТ 12.2.007.0.,
- климатическому исполнению УХЛ1, 5 по ГОСТ 15150,
- степени защиты IP66/IP68 по ГОСТ 14254.
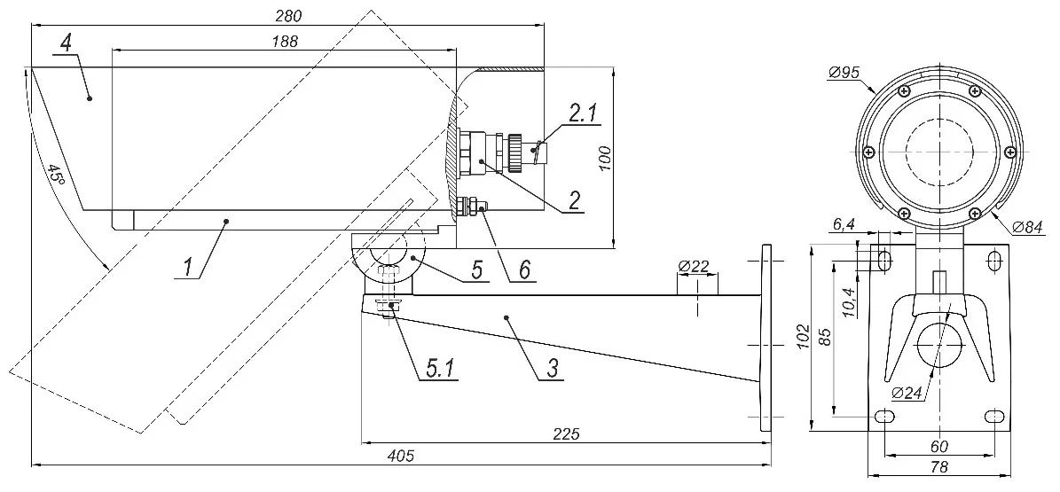
СОСТАВ ВИДЕОКАМЕРЫ. ГАБАРИТНЫЕ И УСТАНОВОЧНЫЕ РАЗМЕРЫ

| 1 | Видеокамера серии Корунд-ВБ Смарт |
| 2 | Кабельные вводы для небронированного кабеля кабеля 3,18,6* мм 2 шт. (один кабельный ввод имеет заглушку) |
| 2.1. | Держатель металлорукава (РЗ-ЦХ-12 или МРПИ-12 вн./нар=12/15 мм) |
| 3 | Кронштейн |
| 4 | Солнцезащитный козырёк |
| 5 | Шарнир |
| 5.1 | Гайка болта фиксации шарнира |
| 6 | Клемма заземления |
* Кабельные вводы для кабелей другого диаметра устанавливаются по отдельной заявке.
ПОДКЛЮЧЕНИЕ

Взрывозащищённое исполнение 1Ex db IIC T6 Gb X / Ex tb IIIC T80C Db X
Тип камеры цветная день-ночь (механический ИК-фильтр)
Матрица 1/3 Black light illumination CMOS
Разрешение: основной поток 1920х1080 (Full HD) дополнительный поток 704х576
Чувствительность при F=1,2 0,0001 лк (днем)/ 0,0001 лк (ночью)
Видеокодеки H.265Al/H.265+ (совместимы с H.265/H.264)
Многопотоковая передача одновременная передача двух потоков
Частота кадров: основной поток 25 к/сек дополнительный поток 25 к/сек
Электронный затвор 1/50 1/10000 сек
Объектив с переменным фокусным расстоянием ручная регулировка
Фокусное расстояние объектива (f) 5-50* мм
Система шумоподавления 2D/3D
Динамический диапазон (WDR) Цифровой
Сетевой интерфейс 10/100M Ethernet
Поддерживаемые сетевые протоколы ONVIF / RTSP / FTP / DHCP / NTP / UPnP
Видеоаналитика обнаружение фигур и лиц людей, обнаружение пересечения линии или зоны человеком, контроль потери изображения
Другие функции ВЕБ-интерфейс, экранное меню, передача видео в реальном времени, обнаружение движения, привязка изображений, захват JPEG, программное обеспечение для удаленного мониторинга CMS, аппаратное сжатие, система watch dog
Просмотр с мобильных устройств множественный доступ с iOS и Android
Питание изделия IEEE 802.3af (PoE), IEEE 802.3at (PoE+)
Максимальная потребляемая мощность (IEEE 802.3at), не более:
в режиме включенного обогрева 12,9 Вт
в режиме выключенного обогрева 6 Вт
Температура вкл./откл. холодного запуска -10С 3С / -15С 3С
Диапазон температуры окружающей среды при эксплуатации -60С +50С
Влажность воздуха до 100% при +25С
Устойчивость к несанкционированным действиям (НСД) II (средняя) по ГОСТ Р 51558
Устойчивость к низким температурам III (высокая) по ГОСТ Р 51558
Устойчивость к внешним воздействиям III (высокая) по ГОСТ Р 51558
Степень защиты оболочки IP66/IP68 по ГОСТ 14254
Материал корпуса сплав алюминиевый, покрытие краска порошковая RAL9002
Масса с упаковкой, не более 3 кг
Режим работы круглосуточный
IP-адрес 192.168.1.230, логин: admin (пароль отсутствует)
* Производителем установлено фокусное расстояние объектива f=2,8 мм (для объектива 2,8-12 мм) и f=5 мм (для объектива 5-50 мм).
ВНИМАНИЕ!! Минимальная сумма заказа 3000 руб.
В онлайн гипермаркете Device Den вы можете оплатить заказ через:
- Безналичный расчёт (доступен для юридических лиц)
- Оплата картой онлайн
Для выбора оплаты товара с помощью банковской карты на странице заказа необходимо выбрать способ оплаты «Оплата картой онлайн». Оплата происходит через платёжную систему Robokassa с использованием банковских карт следующих платежных систем: Мир, Visa и MasterCard
Принимаем оплату только в рублях. Цены всех товаров, кроме лицензий на программное обеспечение, включают в себя НДС.
Мы не принимаем карты American Express.
Описание процесса передачи данных
Для оплаты (ввода реквизитов Вашей карты) Вы будете перенаправлены на платёжный шлюз платежного сервиса Робокасса. Соединение с платёжным шлюзом и передача информации осуществляется в защищённом режиме с использованием протокола шифрования SSL. В случае если Ваш банк поддерживает технологию безопасного проведения интернет-платежей Verified By Visa, MasterCard SecureCode, MIR Accept, J-Secure для проведения платежа также может потребоваться ввод специального пароля.
Настоящий сайт поддерживает 256-битное шифрование. Конфиденциальность сообщаемой персональной информации обеспечивается платежным сервисом Робокасса. Введённая информация не будет предоставлена третьим лицам за исключением случаев, предусмотренных законодательством РФ. Проведение платежей по банковским картам осуществляется в строгом соответствии с требованиями платёжных систем МИР, Visa Int., MasterCard Europe Sprl, JCB.
Курьерская доставка в нашем магазине работает с 9:00 до 23:00 без выходных по Москве и ближайшей МО. Обратите внимание, что курьер передает товар для проверки только после оплаты и не консультирует по приобретённому товару. Доставка во все регионы России осуществляется круглосуточно с помощью транспортных компаний. Самовывоз из офиса доступен с пн-пт с 10:00 до 18:00.
- При сумме заказа менее 70 000 рублей - 590 рублей;
- При сумме заказа более 70 000 рублей - бесплатно.
- При сумме заказа менее 150 000 рублей - 890 рублей;
- При сумме заказа более 150 000 рублей - бесплатно.
Примечание! Есть исключения по отправке крупногабаритных грузов.
ВНИМАНИЕ! Отправка заказа в регионы России осуществляется только после 100% предоплаты.
- При наличии товара на складе доставка осуществляется на следующий день;
- Возможна экспресс доставка при оформлении заказа до 12:00 текущего дня;
- При отсутствии товара на складе сроки поставки уточняйте у менеджера.
- Срок доставки в регионы России может составлять от 1 до 14 дней в зависимости от удалённости региона и выбранного способа доставки.
Примечание! Возможна доставка товара до транспортной компании в день оформления заказа.





Примечание! По просьбе клиентов отправляем заказ любой другой транспортной компанией.
Теги: Тахион ТВК-65-IP-4МВБ-V550-PoE+, Макс. разрешение:2, Размер матрицы:1, 3, Скорость при макс.разр. кадр/сек:25, Объектив:5-50 мм, POE:POE, Класс защиты:IP66, IP68, Максимальная рабочая температура:+50, Минимальная рабочая температура:-60, Люкс:0.0001, Взрывозащищенный:Да