Магнито-контакт Ех ИО 102 МК Al исп.300 М200 В
- Производитель: Магнито-контакт
- Пришлите полную спецификацию на почту zakaz@deviceden.ru и получите оптовую скидку.
- Срок доставки:1-2 дня
- Минимальный заказ:3000 руб.
- Мы принимаем:Безналичная оплата для юр. лиц

сертифицирован

дилер

доставка
Датчики в части взрывозащиты соответствуют требованиям ТР ТС 012/2011 «О безопасности оборудования для работы во взрывоопасных средах», ГОСТ 31610.0-2014 (IEC 60079-0:2011) «Взрывоопасные среды. Часть 0. Оборудование. Общие требования», ГОСТ IEC 60079-1-2011 «Взрывоопасные среды. Часть 1. Оборудование с видом взрывозащиты «взрывонепроницаемые оболочки «d».
Датчики состоят из двух компонентов - датчика магнитоуправляемого (блока геркона) и задающего элемента (блока магнита). Блок геркона и блок магнита извещателя Ех ИО102 МК помещены в металлические корпуса цилиндрической формы из алюминиевого сплава или нержавеющей стали. Блок геркона оборудован кабельным вводом, расположенным с торца корпуса.
Особенности Ех ИО 102 МК Al исп.300 М200 В
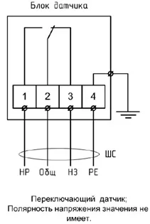
- Тип применяемого геркона: переключающий
- Тип ввода: Сменный кабельный ввод с резьбой М25
- Тип штуцера: В – под бронированный кабель Ø6-12мм
- Корпус: Алюминиевый сплав Д16Т
- Маркировка взрывозащиты ГОСТ 31610.0-2014: 1Ex d IIC T6 Gb
- Вариант исполнения задающего блока: М 200
- Расстояние между исполнительным и задающим блоками, мм, при котором выходные контакты извещателей Ех ИО102 МК исп. 300:
замкнуты под воздействием магнитного поля задающего блока (нормальное состояние извещателей): 30 и менее
разомкнуты (формирование извещения о тревоге): 50 и более
1 - Корпус датчика, 2 - Площадка приварная, 3 - Прижимное кольцо, 4 - Кольцо уплотнительное, 5 - Корпус ввода, 6 - Элемент чувствительный, 7 - Внешний зажим для заземления, 8 - Шайба
Конструкция и варианты кабельных вводов извещателей охранных Ех ИО102 МК. Установка бронированного кабеля
1 - Корпус датчика, 2 - Кольцо уплотнительное, 3 - Шайба, 4 - Прижимное кольцо, 5 - Плата датчика, 6 - Клемменый зажим, 7 - Корпус ввода, 8 - Уплотнитель контакта, 10 - Штуцер, 12 - Шайба, 13 - Гайка, 14 - Кабель, 16 - Конус, 19 - Броня
В комплект поставки извещателя входят:
- Исполнительный блок в сборе с кабельным вводом в соответствии с заказом - 1 шт
- Задающий блок - 1 шт
- Паспорт - 1 шт.
ВНИМАНИЕ!! Минимальная сумма заказа 3000 руб.
В онлайн гипермаркете Device Den вы можете оплатить заказ через:
- Безналичный расчёт (доступен для юридических лиц)
- Оплата картой онлайн
Для выбора оплаты товара с помощью банковской карты на странице заказа необходимо выбрать способ оплаты «Оплата картой онлайн». Оплата происходит через платёжную систему Robokassa с использованием банковских карт следующих платежных систем: Мир, Visa и MasterCard
Принимаем оплату только в рублях. Цены всех товаров, кроме лицензий на программное обеспечение, включают в себя НДС.
Мы не принимаем карты American Express.
Описание процесса передачи данных
Для оплаты (ввода реквизитов Вашей карты) Вы будете перенаправлены на платёжный шлюз платежного сервиса Робокасса. Соединение с платёжным шлюзом и передача информации осуществляется в защищённом режиме с использованием протокола шифрования SSL. В случае если Ваш банк поддерживает технологию безопасного проведения интернет-платежей Verified By Visa, MasterCard SecureCode, MIR Accept, J-Secure для проведения платежа также может потребоваться ввод специального пароля.
Настоящий сайт поддерживает 256-битное шифрование. Конфиденциальность сообщаемой персональной информации обеспечивается платежным сервисом Робокасса. Введённая информация не будет предоставлена третьим лицам за исключением случаев, предусмотренных законодательством РФ. Проведение платежей по банковским картам осуществляется в строгом соответствии с требованиями платёжных систем МИР, Visa Int., MasterCard Europe Sprl, JCB.
Курьерская доставка в нашем магазине работает с 9:00 до 23:00 без выходных по Москве и ближайшей МО. Обратите внимание, что курьер передает товар для проверки только после оплаты и не консультирует по приобретённому товару. Доставка во все регионы России осуществляется круглосуточно с помощью транспортных компаний. Самовывоз из офиса доступен с пн-пт с 10:00 до 18:00.
- При сумме заказа менее 70 000 рублей - 590 рублей;
- При сумме заказа более 70 000 рублей - бесплатно.
- При сумме заказа менее 150 000 рублей - 890 рублей;
- При сумме заказа более 150 000 рублей - бесплатно.
Примечание! Есть исключения по отправке крупногабаритных грузов.
ВНИМАНИЕ! Отправка заказа в регионы России осуществляется только после 100% предоплаты.
- При наличии товара на складе доставка осуществляется на следующий день;
- Возможна экспресс доставка при оформлении заказа до 12:00 текущего дня;
- При отсутствии товара на складе сроки поставки уточняйте у менеджера.
- Срок доставки в регионы России может составлять от 1 до 14 дней в зависимости от удалённости региона и выбранного способа доставки.
Примечание! Возможна доставка товара до транспортной компании в день оформления заказа.





Примечание! По просьбе клиентов отправляем заказ любой другой транспортной компанией.
Теги: Магнито-контакт Ех ИО 102 МК Al исп.300 М200 В, Тип:Датчик открытия, Способ монтажа:Накладной на поверхность, Комплектация:Датчик открытия дверей, окон, Принцип работы:Магнитоконтактный, Взрывозащищенный:Да