СКАТ SPRUT Exit Button-92P (8876)
- Производитель: Бастион
- Пришлите полную спецификацию на почту zakaz@deviceden.ru и получите оптовую скидку.
- Срок доставки:1-2 дня
- Минимальный заказ:3000 руб.
- Мы принимаем:Безналичная оплата для юр. лиц

сертифицирован

дилер

доставка
Кнопка аварийной разблокировки дверей SPRUT Exit Button-92P
Устройство быстрой разблокировки электроуправляемых дверей с восстанавливаемой вставкой. Устанавливается с внутренней стороны двери на выход и используется в аварийных случаях. 2 группы контактов (COM, NO, NC), для управления замком и для подключения сигнализации срабатывания данного устройства. Защитная крышка и ключ для восстановления входят в комплектацию.
Монтаж

Закрепите базу устройства на вертикальной поверхности и введите в нее провода. Подключите провода к коннекторам и вставьте их в соответсвующие разъемы устройства (см. схему подключения). Предварительно разобранное устройство (без нажимной пластины и лицевой панели) закрепите при помощи прилагаемых винтов на базе. Установите лицевую панель и нажимную пластину на устройство. Опломбируйте его, используя специальное отверстие на прозрачной крышке.
Разборка/сборка лицевой панели и взвод нажимной вставки:

Управление замком и сигнализация срабатывания
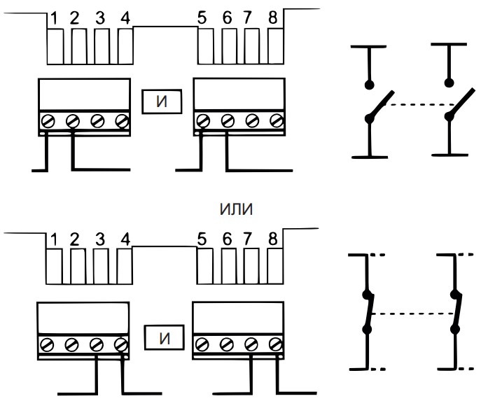
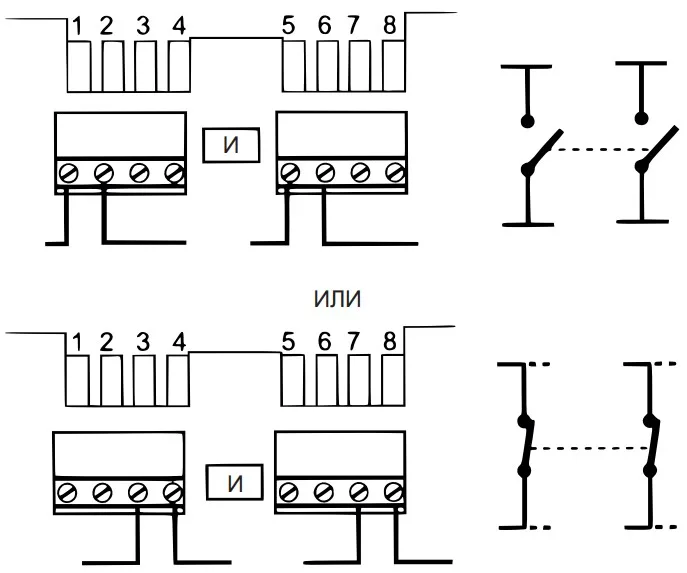
SPRUT Exit Button-92P имеет 2 группы контактов (COM, NO, NC), одна из которых используется для управления замком, а вторая может использоваться для сигнализации срабатывания данного устройства.
Схема подключения

Технические характеристики SPRUT Exit Button-92P
| Контакты | 2 группы ОБЩ, НЗ, HО3 |
| Коммутируемая мощность | 3А, 12-48В DC, 3А, 125-220В АС |
| Тип монтажа: | Накладной, врезной |
| Класс защиты: | IP24 |
| Диапазон рабочих температур: | от -30 до +70 С без конденсации |
| Диапазон рабочей влажности: | 20%-80% |
| Габариты: | 88 х 88 х 55 мм |
| Вес: | 160г |
ВНИМАНИЕ!! Минимальная сумма заказа 3000 руб.
В онлайн гипермаркете Device Den вы можете оплатить заказ через:
- Безналичный расчёт (доступен для юридических лиц)
- Оплата картой онлайн
Для выбора оплаты товара с помощью банковской карты на странице заказа необходимо выбрать способ оплаты «Оплата картой онлайн». Оплата происходит через платёжную систему Robokassa с использованием банковских карт следующих платежных систем: Мир, Visa и MasterCard
Принимаем оплату только в рублях. Цены всех товаров, кроме лицензий на программное обеспечение, включают в себя НДС.
Мы не принимаем карты American Express.
Описание процесса передачи данных
Для оплаты (ввода реквизитов Вашей карты) Вы будете перенаправлены на платёжный шлюз платежного сервиса Робокасса. Соединение с платёжным шлюзом и передача информации осуществляется в защищённом режиме с использованием протокола шифрования SSL. В случае если Ваш банк поддерживает технологию безопасного проведения интернет-платежей Verified By Visa, MasterCard SecureCode, MIR Accept, J-Secure для проведения платежа также может потребоваться ввод специального пароля.
Настоящий сайт поддерживает 256-битное шифрование. Конфиденциальность сообщаемой персональной информации обеспечивается платежным сервисом Робокасса. Введённая информация не будет предоставлена третьим лицам за исключением случаев, предусмотренных законодательством РФ. Проведение платежей по банковским картам осуществляется в строгом соответствии с требованиями платёжных систем МИР, Visa Int., MasterCard Europe Sprl, JCB.
Курьерская доставка в нашем магазине работает с 9:00 до 23:00 без выходных по Москве и ближайшей МО. Обратите внимание, что курьер передает товар для проверки только после оплаты и не консультирует по приобретённому товару. Доставка во все регионы России осуществляется круглосуточно с помощью транспортных компаний. Самовывоз из офиса доступен с пн-пт с 10:00 до 18:00.
- При сумме заказа менее 70 000 рублей - 590 рублей;
- При сумме заказа более 70 000 рублей - бесплатно.
- При сумме заказа менее 150 000 рублей - 890 рублей;
- При сумме заказа более 150 000 рублей - бесплатно.
Примечание! Есть исключения по отправке крупногабаритных грузов.
ВНИМАНИЕ! Отправка заказа в регионы России осуществляется только после 100% предоплаты.
- При наличии товара на складе доставка осуществляется на следующий день;
- Возможна экспресс доставка при оформлении заказа до 12:00 текущего дня;
- При отсутствии товара на складе сроки поставки уточняйте у менеджера.
- Срок доставки в регионы России может составлять от 1 до 14 дней в зависимости от удалённости региона и выбранного способа доставки.
Примечание! Возможна доставка товара до транспортной компании в день оформления заказа.





Примечание! По просьбе клиентов отправляем заказ любой другой транспортной компанией.
Теги: СКАТ SPRUT Exit Button-92P (8876), Питание:12-48VDC, Класс защиты:IP24, Цвет:Зеленый, Тип монтажа:Накладной, Материал корпуса:Пластик, Нижний порог температуры:-30, Верхний порог температуры:+70, Индикация:Нет