Тахион УСВР-4PoE
- Производитель: Тахион
- Пришлите полную спецификацию на почту zakaz@deviceden.ru и получите оптовую скидку.
- Срок доставки:1-2 дня
- Минимальный заказ:3000 руб.
- Мы принимаем:Безналичная оплата для юр. лиц

сертифицирован

дилер

доставка
УСВР-4PoE поставляется с установленным жёстким диском.
Конструктивно узел выполнен в пластиковом пылебрызгозащищенном корпусе и может эксплуатироваться на открытом воздухе либо во влажных помещениях. Поддержание температуры внутри узла, в заданном диапазоне, производится автоматическим включением и отключением встроенного обогревателя.
Узел системы видеонаблюдения и регистрации УСВР-4PoE выпускается по техническим условиям ТУ 26.30.50-077-31006686-2017. По способу защиты человека от поражения электрическим током соответствует классу I по ГОСТ 12.2.007.0-75. Климатическое исполнение соответствует УХЛ1, 5 ГОСТ 15150-69. Степень защиты IP66.
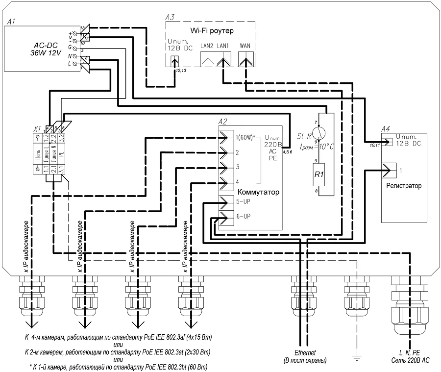
Схема подключения
Состав изделия
| 1. Корпус | 1шт. |
| 2. Панель монтажная | 1шт. |
| 3. Система обогрева в составе: | |
| - биметаллический контактный выключатель (St R) | 1шт. |
| - резистор обогрева (R1) | 1шт. |
| 4. Клемма проходная (S провода до 6 мм2) | 2шт. |
| 5. Клемма заземляющая (S провода до 6 мм2) | 1шт. |
| 6. Неуправляемый коммутатор | 2шт. |
| 7. AC/DC преобразователь 220/12В, 36Вт | 1шт. |
| 8. Wi-Fi роутер (для УСВР-4PoE/Wi-Fi) | 1шт. |
| 9. Сетевой видеорегистратор | 1шт. |
| 10. Гермоввод PGA7 - 08 Ø кабеля 8 ÷ 4,5 мм | 6шт. |
| 11. Гермоввод PGA11 - 10 Ø кабеля 10 ÷ 6 мм | 1шт. |
- Напряжение питания: 220 В AC 10%, 50 Гц
- Питание подключаемых видеокамер/устройств: PoE IEEE 802.3af/(.3at)/(.3bt)
- Максимальная мощность, подключаемых видеокамер/устройств, не более,:
- по стандарту PoE IEEE 802.3af (порты 1-4): 4х15 Вт
- по стандарту PoE IEEE 802.3af (порты 1-4): 2х30 Вт
- по стандарту PoE IEEE 802.3bt (порт 1): 60 Вт
- общий бюджет PoE: 60 Вт
- Сетевой видеорегистратор (СВР) 4CH 5.0Mp (с установленным жёстким диском), Onvif/облако, приложение мобильного мониторинга, обнаружение лиц( с камерами на чипсетах XM530 и XM550):
- Формат сжатия аудио: g711a
- Разрешение видео (при частоте кадров 25 к/с): 720P, 960P, 1080P, 3MP, 4MP, 5MP
- Формат сжатия видео: H.264, H.265
- Жёсткий диск: 2.5, 1 Тбайт
- Сетевой интерфейс: RJ45 10/100 Base Ethernet
- Сетевой протокол: smtp, ftp, HTTP, dhcp, DNS, TCP/IP, upnp, ddns, pppoe
- Режим IP: Статический IP-адрес
- Обогрев:
- напряжение питания: 220 В AC 10%, 50 Гц
- потребляемая мощность: 22 Вт
- Диапазон рабочих температур: 40С+50С
- Диапазон включения/отключения обогрева: 0С 3С / +10С 3С
- Максимальная потребляемая мощность: 123 Вт
- Материалы и поверхности изделия:
- корпус: АБС пластик
- монтажная панель: алюминий
- Габаритные размеры (с гермовводами): 300 х 230 х 110 мм
- Вес с упаковкой, не более: 3 кг
ВНИМАНИЕ!! Минимальная сумма заказа 3000 руб.
В онлайн гипермаркете Device Den вы можете оплатить заказ через:
- Безналичный расчёт (доступен для юридических лиц)
- Оплата картой онлайн
Для выбора оплаты товара с помощью банковской карты на странице заказа необходимо выбрать способ оплаты «Оплата картой онлайн». Оплата происходит через платёжную систему Robokassa с использованием банковских карт следующих платежных систем: Мир, Visa и MasterCard
Принимаем оплату только в рублях. Цены всех товаров, кроме лицензий на программное обеспечение, включают в себя НДС.
Мы не принимаем карты American Express.
Описание процесса передачи данных
Для оплаты (ввода реквизитов Вашей карты) Вы будете перенаправлены на платёжный шлюз платежного сервиса Робокасса. Соединение с платёжным шлюзом и передача информации осуществляется в защищённом режиме с использованием протокола шифрования SSL. В случае если Ваш банк поддерживает технологию безопасного проведения интернет-платежей Verified By Visa, MasterCard SecureCode, MIR Accept, J-Secure для проведения платежа также может потребоваться ввод специального пароля.
Настоящий сайт поддерживает 256-битное шифрование. Конфиденциальность сообщаемой персональной информации обеспечивается платежным сервисом Робокасса. Введённая информация не будет предоставлена третьим лицам за исключением случаев, предусмотренных законодательством РФ. Проведение платежей по банковским картам осуществляется в строгом соответствии с требованиями платёжных систем МИР, Visa Int., MasterCard Europe Sprl, JCB.
Курьерская доставка в нашем магазине работает с 9:00 до 23:00 без выходных по Москве и ближайшей МО. Обратите внимание, что курьер передает товар для проверки только после оплаты и не консультирует по приобретённому товару. Доставка во все регионы России осуществляется круглосуточно с помощью транспортных компаний. Самовывоз из офиса доступен с пн-пт с 10:00 до 18:00.
- При сумме заказа менее 70 000 рублей - 590 рублей;
- При сумме заказа более 70 000 рублей - бесплатно.
- При сумме заказа менее 150 000 рублей - 890 рублей;
- При сумме заказа более 150 000 рублей - бесплатно.
Примечание! Есть исключения по отправке крупногабаритных грузов.
ВНИМАНИЕ! Отправка заказа в регионы России осуществляется только после 100% предоплаты.
- При наличии товара на складе доставка осуществляется на следующий день;
- Возможна экспресс доставка при оформлении заказа до 12:00 текущего дня;
- При отсутствии товара на складе сроки поставки уточняйте у менеджера.
- Срок доставки в регионы России может составлять от 1 до 14 дней в зависимости от удалённости региона и выбранного способа доставки.
Примечание! Возможна доставка товара до транспортной компании в день оформления заказа.





Примечание! По просьбе клиентов отправляем заказ любой другой транспортной компанией.
Теги: Тахион, Тахион УСВР-4PoE, Предзаказ, Класс POE, 802.3af, 802.3at, 802.3bt, Цвет, Белый, Исполнение, В коробке, Материал корпуса, Пластик, Количество портов, 4, Макс. кол-во портов POE, 4, Промышленный, Да, Уличное исполнение, Да, Количество LAN-портов, 4, Тип устройства, Коммутатор, Тип управления коммутатора, Неуправляемый, Поддержка POE, Да, USB-порт, Нет, Возможность установить в стойку, Нет, Базовая скорость передачи данных, 10, 100 Мбит, с, Поддержка VPN-тоннелей (VPN Endpoint), Нет, Суммарная мощность Poe, 60, Мощность Poe-порта, 60, 31 500 руб.