Тахион ВУК-34-PoE+ Р2
- Производитель: Тахион
- Пришлите полную спецификацию на почту zakaz@deviceden.ru и получите оптовую скидку.
- Срок доставки:1-2 дня
- Минимальный заказ:3000 руб.
- Мы принимаем:Безналичная оплата для юр. лиц

сертифицирован

дилер

доставка
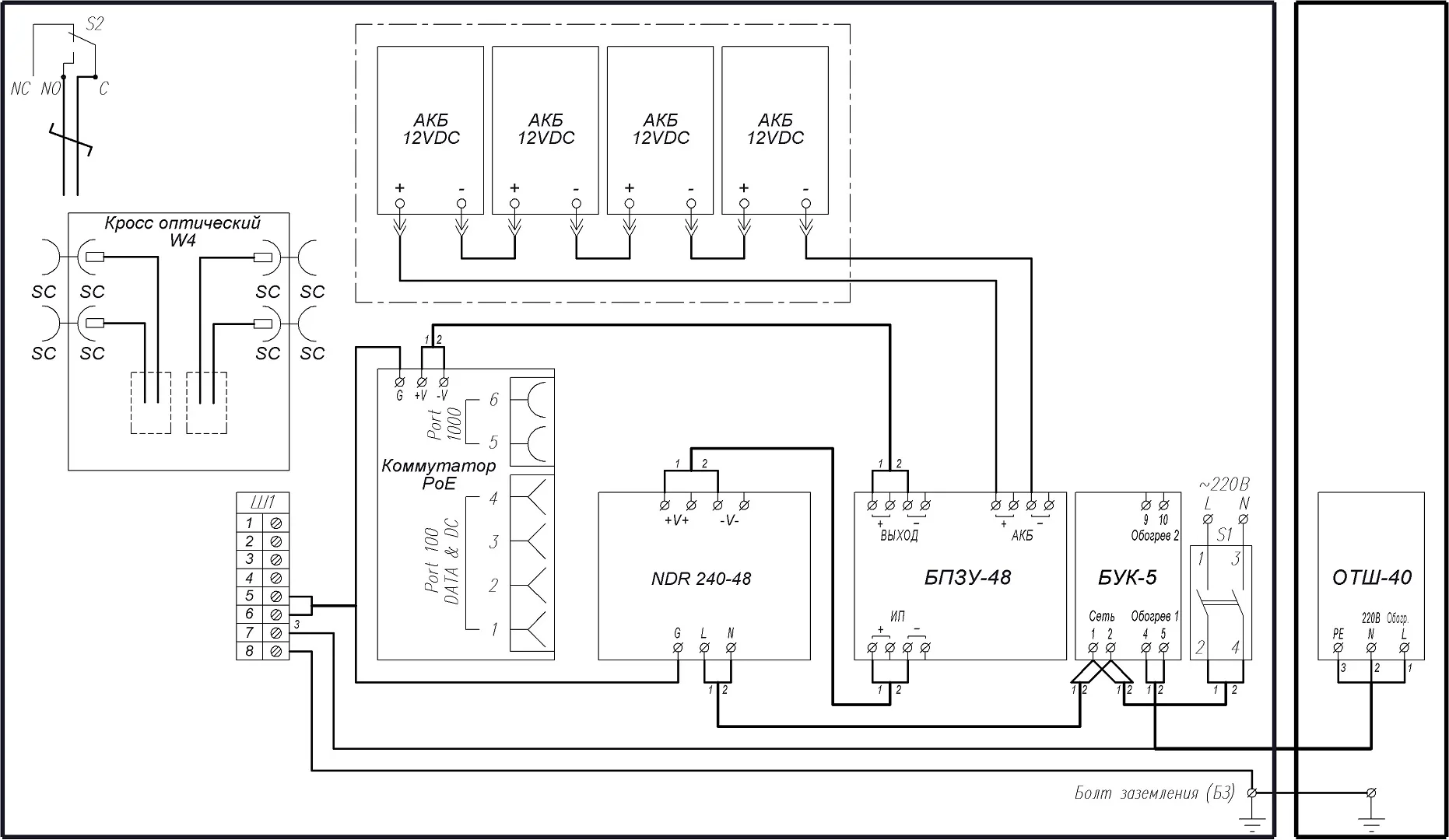
Изделие оборудовано
- блоком управления климатом (БУК-5), предназначенным для управление обогревом,
- обогревателем термошкафов ОТШ-60, оборудованным встроенным биметаллическим выключателем, ограничивающим температуру поверхности радиатора до +90°С,
- комплектом бесперебойного питания КБП - 7,2А·ч,
- тамперным контактом для сигнализации о несанкционированном доступе.
Климатическое исполнение изделия соответствует УХЛ1, 5 ГОСТ 15150-69. Степень защиты IP 66.
Состав изделия:
| 1. Шкаф 380х380х210мм | 1шт. |
| 2. Монтажная панель | 1шт. |
| 3. Тамперный контакт (S2) | 1шт. |
| 4. Выключатель автоматический ВА47-29 2P6A/4,5кА хар-ка С 'TDM' (S1) | 1шт. |
| 5. Блок управления климатом (БУК-5) | 1шт. |
| 6. Обогреватель (ОТШ-60) | 1шт. |
| 7. Комплект бесперебойного питания КБП- 7,2А·ч | 1шт. |
| 8. Неуправляемый коммутатор WiTek 4 порта Eth + 2 порта SFP Wi-PS306GF-l | 1шт. |
| 9. Оптический кросс W4 (или аналогичный) с адаптерами SC-SC (4 шт) | 1шт. |
| 10. Шина заземления (Ш1) | 1шт. |
| 11. Блок защиты портов в сети ETHERNET c питанием РоЕ (БЗЛ-ЕП4) | 1шт. |
| 12. Гермоввод PBA9-08, Ø кабеля 4,5-8 мм | 4шт. |
| 13. Гермоввод PBA11-10, Ø кабеля 6-10 мм | 2шт. |
| 14. Гермоввод PBA13,5-11, Ø кабеля 7-12 мм | 2шт. |

- Питание изделия:
- напряжение питания: 220 В AC, 50 Гц
- максимальный ток нагрузки: 6 А
- Обогрев:
- напряжение питания: 220 В AC, 50 Гц
- потребляемая мощность: 60 Вт
- Диапазон рабочих температур: 60 С +50 С
- Интерфейсы:
- порт 10/100/1000 Base-T RJ-45 PoE+: 4 шт.
- порт 1000 Base-X SFP: 2 шт.
- Питание подключаемых видеокамер/устройств: PoE/PoE+
- Максимальная мощность, подключаемых видеокамер/устройств, не более::
- по стандарту PoE IEEE 802.3af: 4х15 Вт
- по стандарту PoE IEEE 802.3at: 4х30 Вт
- общий бюджет PoE: 120 Вт
- Максимальная потребляемая мощность: 200 Вт
- Характеристики КБП- 7,2 А ч::
- номинальное выходное напряжение: 4855 В DC
- напряжение отсечки аккумуляторных батарей (АКБ) от нагрузки: 3841 В DC
- максимальный ток нагрузки: 5 А
- ёмкость АКБ: 7,2А ч
- Материалы и поверхности изделия::
- корпус (дверь): листовая сталь 1,25 (1,5) мм, грунтовка, порошковое покрытие
- панель монтажная: листовая сталь 2 мм, оцинкованная
- Габаритные размеры (без гермовводов) ШхВхГ: 380х380х210 мм
- Вес c упаковкой: 16 кг
ВНИМАНИЕ!! Минимальная сумма заказа 3000 руб.
В онлайн гипермаркете Device Den вы можете оплатить заказ через:
- Безналичный расчёт (доступен для юридических лиц)
- Оплата картой онлайн
Для выбора оплаты товара с помощью банковской карты на странице заказа необходимо выбрать способ оплаты «Оплата картой онлайн». Оплата происходит через платёжную систему Robokassa с использованием банковских карт следующих платежных систем: Мир, Visa и MasterCard
Принимаем оплату только в рублях. Цены всех товаров, кроме лицензий на программное обеспечение, включают в себя НДС.
Мы не принимаем карты American Express.
Описание процесса передачи данных
Для оплаты (ввода реквизитов Вашей карты) Вы будете перенаправлены на платёжный шлюз платежного сервиса Робокасса. Соединение с платёжным шлюзом и передача информации осуществляется в защищённом режиме с использованием протокола шифрования SSL. В случае если Ваш банк поддерживает технологию безопасного проведения интернет-платежей Verified By Visa, MasterCard SecureCode, MIR Accept, J-Secure для проведения платежа также может потребоваться ввод специального пароля.
Настоящий сайт поддерживает 256-битное шифрование. Конфиденциальность сообщаемой персональной информации обеспечивается платежным сервисом Робокасса. Введённая информация не будет предоставлена третьим лицам за исключением случаев, предусмотренных законодательством РФ. Проведение платежей по банковским картам осуществляется в строгом соответствии с требованиями платёжных систем МИР, Visa Int., MasterCard Europe Sprl, JCB.
Курьерская доставка в нашем магазине работает с 9:00 до 23:00 без выходных по Москве и ближайшей МО. Обратите внимание, что курьер передает товар для проверки только после оплаты и не консультирует по приобретённому товару. Доставка во все регионы России осуществляется круглосуточно с помощью транспортных компаний. Самовывоз из офиса доступен с пн-пт с 10:00 до 18:00.
- При сумме заказа менее 70 000 рублей - 590 рублей;
- При сумме заказа более 70 000 рублей - бесплатно.
- При сумме заказа менее 150 000 рублей - 890 рублей;
- При сумме заказа более 150 000 рублей - бесплатно.
Примечание! Есть исключения по отправке крупногабаритных грузов.
ВНИМАНИЕ! Отправка заказа в регионы России осуществляется только после 100% предоплаты.
- При наличии товара на складе доставка осуществляется на следующий день;
- Возможна экспресс доставка при оформлении заказа до 12:00 текущего дня;
- При отсутствии товара на складе сроки поставки уточняйте у менеджера.
- Срок доставки в регионы России может составлять от 1 до 14 дней в зависимости от удалённости региона и выбранного способа доставки.
Примечание! Возможна доставка товара до транспортной компании в день оформления заказа.





Примечание! По просьбе клиентов отправляем заказ любой другой транспортной компанией.
Теги: Тахион, Тахион ВУК-34-PoE+ Р2, Предзаказ, Класс POE, 802.3af, 802.3at, Цвет, Серый, Исполнение, В шкафу, Материал корпуса, Металл, Количество портов, 6, Макс. кол-во портов POE, 4, Промышленный, Да, Уличное исполнение, Да, Количество LAN-портов, 4, Тип устройства, Коммутатор, Тип управления коммутатора, Неуправляемый, Поддержка POE, Да, USB-порт, Нет, Возможность установить в стойку, Нет, SFP, 2, Базовая скорость передачи данных, 1 Гбит, с, Количество WAN-портов, 2, Поддержка VPN-тоннелей (VPN Endpoint), Нет, Суммарная мощность Poe, 120, Мощность Poe-порта, 30, 57 225 руб.