Promix-CS.PD.02
- Производитель: Промикс
- Пришлите полную спецификацию на почту zakaz@deviceden.ru и получите оптовую скидку.
- Срок доставки:1-2 дня
- Минимальный заказ:3000 руб.
- Мы принимаем:Безналичная оплата для юр. лиц

сертифицирован

дилер

доставка
Шесть режимов организации работы шлюза.
Области применения:
- шлюзовые кабины для прохода в здание,
- инкассаторские передаточные шлюзы,
- шлюзы для прохода в ответственные места и т.п.
Режимы работы шлюза
- Вход в шлюз по сигналу внешней кнопки, выход - по сигналу внутренней кнопки. Вход и выход возможны, когда обе двери закрыты.
- Вход по сигналу внешней кнопки, выход - по сигналу внутренней кнопки. Датчики на дверях не предусмотрены. Вход и выход возможны, когда оба замка закрыты.
- Вход в шлюз по сигналу внешней кнопки, выход – по решению охраны. Контроль занятости шлюза. Вход и выход возможны, когда обе двери закрыты. Вход разрешен, только если шлюз свободен.
- Вход в шлюз по сигналу внешней кнопки, выход – по сигналу внутренней кнопки или решению охраны. Контроль занятости шлюза. Вход и выход возможны, когда обе двери закрыты. Вход разрешен, только если шлюз свободен.
- Вход в шлюз свободный, выход – по решению охраны.
- Вход в шлюз свободный, выход – свободный при условии, что вторая дверь закрыта.
Схема шлюза
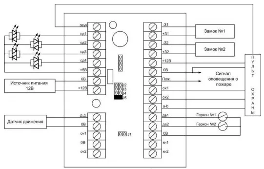
На каждой двери шлюза устанавливаются электроуправляемые замки одинакового типа: нормально открытые или нормально закрытые и датчики состояния двери (магнитоуправляемые извещатели (герконы)). Около дверей снаружи и внутри шлюза устанавливаются светодиоды или светодиодные мнемосхемы (например, MNEMO-KZ) указывающие на состояние прохода: разрешен проход или нет. Для индикации состояния замка (открыт/закрыт) необходимо подключить светодиоды или мнемосхемы к цепи управления замка (на схеме не показано). Для определения присутствия человека внутри шлюза используется радиочастотный, ультразвуковой или пассивный инфракрасный датчик движения. На посту охраны устанавливаются кнопки управления проходом через двери (кнопки «открыть дверь 1» и «открыть дверь 2»), переключатель подрежимов и звуковой оповещатель.
Расположение контактов и перемычек на плате контроллера
Схема подключения контроллера для режима прохода № 1
Схема подключения контроллера для режима прохода № 2
Схема подключения контроллера для режима прохода № 3
Схема подключения контроллера для режима прохода № 4,5
Схема подключения контроллера для режима прохода № 6
- Комплект поставки:
- Контроллер KZ-05 в корпусе – 1 шт.
- Руководство по эксплуатации – 1 шт
- Напряжение питания постоянного тока, В: 10-15.
- Ток потребления в дежурном режиме, мА, не более: 20.
- Коммутируемый ток исполнительного устройства (замка), А, не более: 2 А.
- Максимальная длина до кнопки и датчика открытия двери, м: 50.
- Защита от статического электричества.
- Масса: не более 0,09 кг.
- Размеры контроллера 105х65х30мм
- Климатические условия эксплуатации:
Устойчивость к воздействию климатических факторов по ГОСТ 15150-69: УХЛ2
Температура окружающего воздуха: от 0 до +50 °С
Относительная влажность воздуха 95% при 35°С и более низких температурах без конденсации влаги и образования инея
ВНИМАНИЕ!! Минимальная сумма заказа 3000 руб.
В онлайн гипермаркете Device Den вы можете оплатить заказ через:
- Безналичный расчёт (доступен для юридических лиц)
- Оплата картой онлайн
Для выбора оплаты товара с помощью банковской карты на странице заказа необходимо выбрать способ оплаты «Оплата картой онлайн». Оплата происходит через платёжную систему Robokassa с использованием банковских карт следующих платежных систем: Мир, Visa и MasterCard
Принимаем оплату только в рублях. Цены всех товаров, кроме лицензий на программное обеспечение, включают в себя НДС.
Мы не принимаем карты American Express.
Описание процесса передачи данных
Для оплаты (ввода реквизитов Вашей карты) Вы будете перенаправлены на платёжный шлюз платежного сервиса Робокасса. Соединение с платёжным шлюзом и передача информации осуществляется в защищённом режиме с использованием протокола шифрования SSL. В случае если Ваш банк поддерживает технологию безопасного проведения интернет-платежей Verified By Visa, MasterCard SecureCode, MIR Accept, J-Secure для проведения платежа также может потребоваться ввод специального пароля.
Настоящий сайт поддерживает 256-битное шифрование. Конфиденциальность сообщаемой персональной информации обеспечивается платежным сервисом Робокасса. Введённая информация не будет предоставлена третьим лицам за исключением случаев, предусмотренных законодательством РФ. Проведение платежей по банковским картам осуществляется в строгом соответствии с требованиями платёжных систем МИР, Visa Int., MasterCard Europe Sprl, JCB.
Курьерская доставка в нашем магазине работает с 9:00 до 23:00 без выходных по Москве и ближайшей МО. Обратите внимание, что курьер передает товар для проверки только после оплаты и не консультирует по приобретённому товару. Доставка во все регионы России осуществляется круглосуточно с помощью транспортных компаний. Самовывоз из офиса доступен с пн-пт с 10:00 до 18:00.
- При сумме заказа менее 70 000 рублей - 590 рублей;
- При сумме заказа более 70 000 рублей - бесплатно.
- При сумме заказа менее 150 000 рублей - 890 рублей;
- При сумме заказа более 150 000 рублей - бесплатно.
Примечание! Есть исключения по отправке крупногабаритных грузов.
ВНИМАНИЕ! Отправка заказа в регионы России осуществляется только после 100% предоплаты.
- При наличии товара на складе доставка осуществляется на следующий день;
- Возможна экспресс доставка при оформлении заказа до 12:00 текущего дня;
- При отсутствии товара на складе сроки поставки уточняйте у менеджера.
- Срок доставки в регионы России может составлять от 1 до 14 дней в зависимости от удалённости региона и выбранного способа доставки.
Примечание! Возможна доставка товара до транспортной компании в день оформления заказа.





Примечание! По просьбе клиентов отправляем заказ любой другой транспортной компанией.
Теги: Promix-CS.PD.02,