Сибирский арсенал ВЕРСЕТ-ДОМ GSM
- Производитель: Сибирский арсенал
- Пришлите полную спецификацию на почту zakaz@deviceden.ru и получите оптовую скидку.
- Срок доставки:1-2 дня
- Минимальный заказ:3000 руб.
- Мы принимаем:Безналичная оплата для юр. лиц

сертифицирован

дилер

доставка
Прибор обеспечивает быстрое информирование пользователей по каналу сотовой связи, позволяет по телефону управлять своей работой, передает сообщения на Станцию мониторинга «ВЕТТА-50 GSM» нашего производства.
Особенности
Прибор управляется как с телефонов пользователей, так и на месте расположения прибора с помощью электронных ключей и кодонаборных клавиатур серии «ПОРТАЛ».
В случае возникновения тревожных ситуаций прибор также выдает звуковые и световые сигналы на оповещатели, подключенные к прибору.
Прибор имеет шесть универсальных проводных шлейфов сигнализации, к которым подключаются охранные, пожарные и технологические извещатели.
В автоматическом режиме прибор осуществляет:
Прибор обеспечивает автоматическое управление:
Дистанционно, с помощью телефона:
Конструкция прибора
Прибор выполнен в виде однокомпонентного устройства в компактном пластмассовом корпусе. Корпус состоит из основания и крышки, соединенных между собой с помощью разъемного шарнирного соединения. Внутри корпуса размещается плата контроллера прибора с блоком индикации и управления, плата GSM коммуникатора, аккумуляторная батарея.
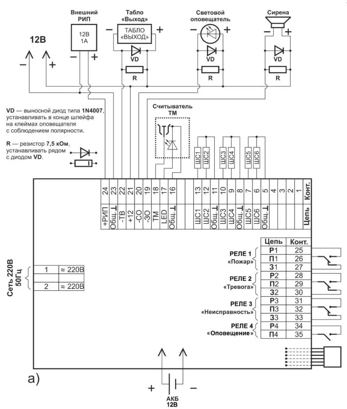
Схемы внешних соединений приборов ВЕРСЕТ – ДОМ GSM
Схема подключения универсального считывателя «Портал»
Комплект поставки прибора
- Прибор приемно-контрольный и управления охранно-пожарный «ВЕРСЕТ – ДОМ GSM» - 1 шт.
- Руководство по эксплуатации, паспорт ВС.425513.063 РЭ - 1 шт.
- Установочный диск программы Конфигуратор - 1 шт.
- Ключ Touch Memory DS1990A - 2 шт.
- Выносной считыватель Touch Memory - 1 шт.
- Резистор –0,125-7,5 кОм ±5 % (выносной) - 9 шт.
- Диод 1N4007 - 3 шт.
- Цифровой термометр ВС–ЦТ–В - 3 шт.
- Стяжки пластиковые - 3 шт.
ВНИМАНИЕ!! Минимальная сумма заказа 3000 руб.
В онлайн гипермаркете Device Den вы можете оплатить заказ через:
- Безналичный расчёт (доступен для юридических лиц)
- Оплата картой онлайн
Для выбора оплаты товара с помощью банковской карты на странице заказа необходимо выбрать способ оплаты «Оплата картой онлайн». Оплата происходит через платёжную систему Robokassa с использованием банковских карт следующих платежных систем: Мир, Visa и MasterCard
Принимаем оплату только в рублях. Цены всех товаров, кроме лицензий на программное обеспечение, включают в себя НДС.
Мы не принимаем карты American Express.
Описание процесса передачи данных
Для оплаты (ввода реквизитов Вашей карты) Вы будете перенаправлены на платёжный шлюз платежного сервиса Робокасса. Соединение с платёжным шлюзом и передача информации осуществляется в защищённом режиме с использованием протокола шифрования SSL. В случае если Ваш банк поддерживает технологию безопасного проведения интернет-платежей Verified By Visa, MasterCard SecureCode, MIR Accept, J-Secure для проведения платежа также может потребоваться ввод специального пароля.
Настоящий сайт поддерживает 256-битное шифрование. Конфиденциальность сообщаемой персональной информации обеспечивается платежным сервисом Робокасса. Введённая информация не будет предоставлена третьим лицам за исключением случаев, предусмотренных законодательством РФ. Проведение платежей по банковским картам осуществляется в строгом соответствии с требованиями платёжных систем МИР, Visa Int., MasterCard Europe Sprl, JCB.
Курьерская доставка в нашем магазине работает с 9:00 до 23:00 без выходных по Москве и ближайшей МО. Обратите внимание, что курьер передает товар для проверки только после оплаты и не консультирует по приобретённому товару. Доставка во все регионы России осуществляется круглосуточно с помощью транспортных компаний. Самовывоз из офиса доступен с пн-пт с 10:00 до 18:00.
- При сумме заказа менее 70 000 рублей - 590 рублей;
- При сумме заказа более 70 000 рублей - бесплатно.
- При сумме заказа менее 150 000 рублей - 890 рублей;
- При сумме заказа более 150 000 рублей - бесплатно.
Примечание! Есть исключения по отправке крупногабаритных грузов.
ВНИМАНИЕ! Отправка заказа в регионы России осуществляется только после 100% предоплаты.
- При наличии товара на складе доставка осуществляется на следующий день;
- Возможна экспресс доставка при оформлении заказа до 12:00 текущего дня;
- При отсутствии товара на складе сроки поставки уточняйте у менеджера.
- Срок доставки в регионы России может составлять от 1 до 14 дней в зависимости от удалённости региона и выбранного способа доставки.
Примечание! Возможна доставка товара до транспортной компании в день оформления заказа.





Примечание! По просьбе клиентов отправляем заказ любой другой транспортной компанией.
Теги: Сибирский арсенал ВЕРСЕТ-ДОМ GSM, Серия:GSM, Тип оборудования:Прибор GSM охраны