Рубеж ШУН/В-5,5-00-R3
- Производитель: Рубеж
- Пришлите полную спецификацию на почту zakaz@deviceden.ru и получите оптовую скидку.
- Срок доставки:1-2 дня
- Минимальный заказ:3000 руб.
- Мы принимаем:Безналичная оплата для юр. лиц

сертифицирован

дилер

доставка
Особенности:
Шкаф управления пожарный ШУН/В прот.R3 предназначен для управления электродвигателями дренажного насоса, жокей-насоса, насоса пожаротушения и вентилятора приточно-вытяжной вентиляции или вентилятора дымоудаления в адресных системах под управлением приемно-контрольного прибора «Рубеж-2ОП» прот.R3 или автономно.
ШУН/В прот.R3 управляет электродвигателем через магнитный контактор. Включение и отключение магнитного контактора возможно в автоматическом режиме управления командными импульсами встроенного в шкаф контроллера по сигналу с приемно-контрольного прибора ППКПУ и в ручном режиме управления с помощью кнопок шкафа без участия контроллера.
ШУН/В прот.R3 обеспечивает работу с трехфазными электродвигателями номинальной мощностью от 0,18 кВт до 250 кВт и однофазными электродвигателями номинальной мощностью от 0,18 кВт до 3 кВт.
В зависимости от назначения ШУН/В прот.R3 может выполнять функции управления работой:
ШУН/В прот.R3 реализует следующие функции:
ШУН/В прот.R3 может находиться в следующих режимах управления:
«Автоматический», когда управление работой электродвигателя осуществляется по командам с ППКПУ.
«Ручной», когда управление работой осуществляется с панели управления кнопками Пуск и Стоп.
«Отключен», когда контактор обесточен и пуск электродвигателя невозможен.
Лицевая сторона ШУ
Внутреннее устройство ШУ
- Контроллер
- Вводной автоматический выключатель
- Контактор
- Клеммы для подключения внешних цепей
- Звуковой сигнализатор
- Переключатель УПРАВЛЕНИЕ
- Плата индикации
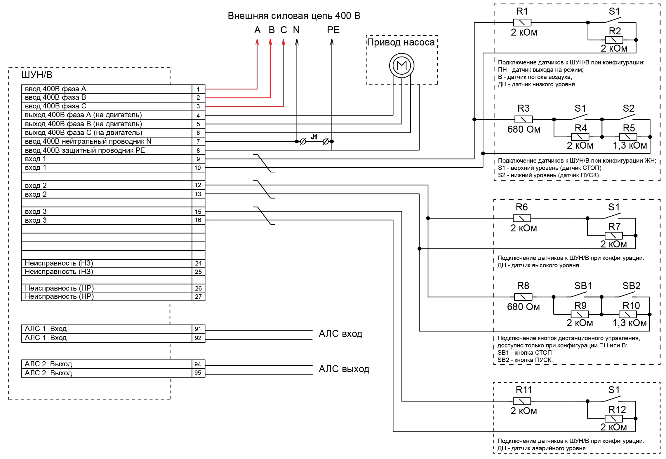
Для обеспечения контроля целостности сигнальных цепей необходимо включить в схему резисторы из комплекта поставки. Резисторы должны подключаться в непосредственной близости от датчиков.
Подключение внешних цепей к ШУН/В прот.R3, в зависимости от выбранного типа устройства управления, представлено в таблице:
| Назначение цепи | Номер клеммной колодки (обозначение на электрической принципиальной схеме) |
| ввод 400В фаза А (питание шкафа) | X1.1 |
| ввод 400В фаза В (питание шкафа) | X1.2 |
| ввод 400В фаза С (питание шкафа) | X1.3 |
| ввод 400В фаза А (питание двигателя) | X1.4 |
| ввод 400В фаза В (питание двигателя) | X1.5 |
| ввод 400В фаза С (питание двигателя) | X1.6 |
| ввод 400В N (нейтральный проводник, питание шкафа) | X1.7 |
| ввод 400В PE (защитный проводник) | X1.8 |
| Вход 1* | X1.9 |
| Вход 1* | X1.10 |
| Вход 2* | X1.12 |
| Вход 2* | X1.13 |
| Вход 3* | X1.15 |
| Вход 3* | X1.16 |
| неисправность (НЗ), (0,5A 230VAC, 0,5A 30VDC) | X1.24 |
| неисправность (НЗ), (0,5A 230VAC, 0,5A 30VDC) | X1.25 |
| неисправность (НР), (0,5A 230VAC, 0,5A 30VDC) | X1.26 |
| неисправность (НР), (0,5A 230VAC, 0,5A 30VDC) | X1.27 |
| АЛС вход | X1.91 |
| АЛС вход | X1.92 |
| АЛС выход | X1.94 |
| АЛС выход | X1.95 |
ШУН/В прот.R3 в варианте дренажного насоса:
X12.9 – Датчик низкого уровня
X12.10 – Датчик низкого уровня
X12.12 – Датчик высокого уровня
X12.13 – Датчик высокого уровня
X12.15 – Датчик аварийного уровня
Х12.16 – Датчик аварийного уровня
ШУН в варианте жокей насоса:
X12.9 – Датчик работы пуск/стоп
X12.10 – Датчик работы пуск/стоп
ШУН/В прот.R3 в варианте пожарного насоса:
X12.9 – датчик выхода на рабочий режим
X12.10 – датчик выхода на рабочий режим
X12.12 – кнопки ДУ пуск/стоп
X12.13 – кнопки ДУ пуск/стоп
ШУН/В прот.R3 в варианте вентилятора:
X12.9 – датчик выхода на рабочий режим
X12.10 – датчик выхода на рабочий режим
X12.12 – кнопки ДУ пуск/стоп
X12.13 – кнопки ДУ пуск/стоп
- Модель: ШУН/В-5,5-00-R3
- Тип: шкаф управления пожарный
- Назначение: насос/вентилятор
- Трёхфазная электросеть
- Мощность электродвигателя: 5,5 кВт
- Силовые элементы автоматики: Dekraft
- Адресный протокол: R3
- Рабочее напряжение сети: 400 (+40/–60) В
- Номинальная частота: 50 ±1 Гц
- Собственная потребляемая мощность от сети, не более: 100 ВА
- Тип системы заземления (выбирается при помощи перемычки): TN-C/ТN-S
- Степень защиты оболочки: IP 31 (IP 54 по требованию заказчика)
- Габаритные размеры: 510 х 410 х 250 мм
- Масса, не более: 12 кг
- Средний срок службы, не менее: 10 лет
- Рабочий диапазон температур: от -25 до +55°С
ВНИМАНИЕ!! Минимальная сумма заказа 3000 руб.
В онлайн гипермаркете Device Den вы можете оплатить заказ через:
- Безналичный расчёт (доступен для юридических лиц)
- Оплата картой онлайн
Для выбора оплаты товара с помощью банковской карты на странице заказа необходимо выбрать способ оплаты «Оплата картой онлайн». Оплата происходит через платёжную систему Robokassa с использованием банковских карт следующих платежных систем: Мир, Visa и MasterCard
Принимаем оплату только в рублях. Цены всех товаров, кроме лицензий на программное обеспечение, включают в себя НДС.
Мы не принимаем карты American Express.
Описание процесса передачи данных
Для оплаты (ввода реквизитов Вашей карты) Вы будете перенаправлены на платёжный шлюз платежного сервиса Робокасса. Соединение с платёжным шлюзом и передача информации осуществляется в защищённом режиме с использованием протокола шифрования SSL. В случае если Ваш банк поддерживает технологию безопасного проведения интернет-платежей Verified By Visa, MasterCard SecureCode, MIR Accept, J-Secure для проведения платежа также может потребоваться ввод специального пароля.
Настоящий сайт поддерживает 256-битное шифрование. Конфиденциальность сообщаемой персональной информации обеспечивается платежным сервисом Робокасса. Введённая информация не будет предоставлена третьим лицам за исключением случаев, предусмотренных законодательством РФ. Проведение платежей по банковским картам осуществляется в строгом соответствии с требованиями платёжных систем МИР, Visa Int., MasterCard Europe Sprl, JCB.
Курьерская доставка в нашем магазине работает с 9:00 до 23:00 без выходных по Москве и ближайшей МО. Обратите внимание, что курьер передает товар для проверки только после оплаты и не консультирует по приобретённому товару. Доставка во все регионы России осуществляется круглосуточно с помощью транспортных компаний. Самовывоз из офиса доступен с пн-пт с 10:00 до 18:00.
- При сумме заказа менее 70 000 рублей - 590 рублей;
- При сумме заказа более 70 000 рублей - бесплатно.
- При сумме заказа менее 150 000 рублей - 890 рублей;
- При сумме заказа более 150 000 рублей - бесплатно.
Примечание! Есть исключения по отправке крупногабаритных грузов.
ВНИМАНИЕ! Отправка заказа в регионы России осуществляется только после 100% предоплаты.
- При наличии товара на складе доставка осуществляется на следующий день;
- Возможна экспресс доставка при оформлении заказа до 12:00 текущего дня;
- При отсутствии товара на складе сроки поставки уточняйте у менеджера.
- Срок доставки в регионы России может составлять от 1 до 14 дней в зависимости от удалённости региона и выбранного способа доставки.
Примечание! Возможна доставка товара до транспортной компании в день оформления заказа.





Примечание! По просьбе клиентов отправляем заказ любой другой транспортной компанией.