Рубеж ШУН/В-5,5-03-УПП-R3
- Производитель: Рубеж
- Пришлите полную спецификацию на почту zakaz@deviceden.ru и получите оптовую скидку.
- Срок доставки:1-2 дня
- Минимальный заказ:3000 руб.
- Мы принимаем:Безналичная оплата для юр. лиц

сертифицирован

дилер

доставка
Особенности модели:
- Назначение: ШУ - шкаф управления Н/В насос/вентилятор
- Тип электросети: трехфазная переменного тока 400 В
- Мощность электродвигателя, кВт: 5,5
- Силовые элементы автоматики: производитель Dekraft, без теплового расцепителя
- Дополнительные функции: устройство плавного пуска
- Работа в адресной системе: для подключения в АЛС приборов протокола R3
ШУН/В-R3 управляет электродвигателем через магнитный контактор. Включение и отключение магнитного контактора возможно в автоматическом режиме управления командными импульсами встроенного в шкаф контроллера по сигналу с приемно-контрольного прибора ППКПУ и в ручном режиме управления с помощью кнопок шкафа без участия контроллера.
ШУН/В-R3 обеспечивает работу с трехфазными электродвигателями номинальной мощностью от 0,18 кВт до 250 кВт и однофазными электродвигателями номинальной мощностью от 0,18 кВт до 3 кВт.
Шкафы управления ШУН/В-R3 выпускаются в различных исполнениях. В шкаф могут устанавливаться силовые элементы автоматики Dekraft, Schneider Electric или ABB. Кроме этого, есть исполнения шкафов с дополнительно установленными внутрь шкафа устройствами плавного пуска УПП или частотными преобразователями ПЧ. От варианта комплектации шкафа будет зависеть его условное обозначение.
В зависимости от назначения ШУН/В-R3 может выполнять функции управления работой:
- пожарного насоса,
- дренажного насоса,
- жокей-насоса,
- вентилятора.
ШУН/В-R3 реализует следующие функции:
- контроль наличия и параметров электропитания на вводе сети,
- контроль исправности основных цепей электрической схемы прибора,
- контроль исправности входных цепей от датчиков и электроконтактных манометров на обрыв и короткое замыкание,
- контроль силовой цепи питания двигателя,
- местное переключение режима управления электроприводом на один из 3-х режимов: Автоматический / Ручной / Отключен,
- передачу в ППКПУ сигналов своего состояния по цифровой линии связи RS-R3,
- управление подключенным электроприводом в соответствии с командами, получаемыми по цифровой линии связи RS-R3 от ППКПУ, по командам датчиков уровня или по командам местного управления.
ШУН/В-R3 может находиться в следующих режимах управления:
- Автоматический, когда управление работой электродвигателя осуществляется по командам с ППКПУ.
- Ручной, когда управление работой осуществляется с панели управления кнопками Пуск и Стоп. -Отключен, когда контактор обесточен и пуск электродвигателя невозможен.
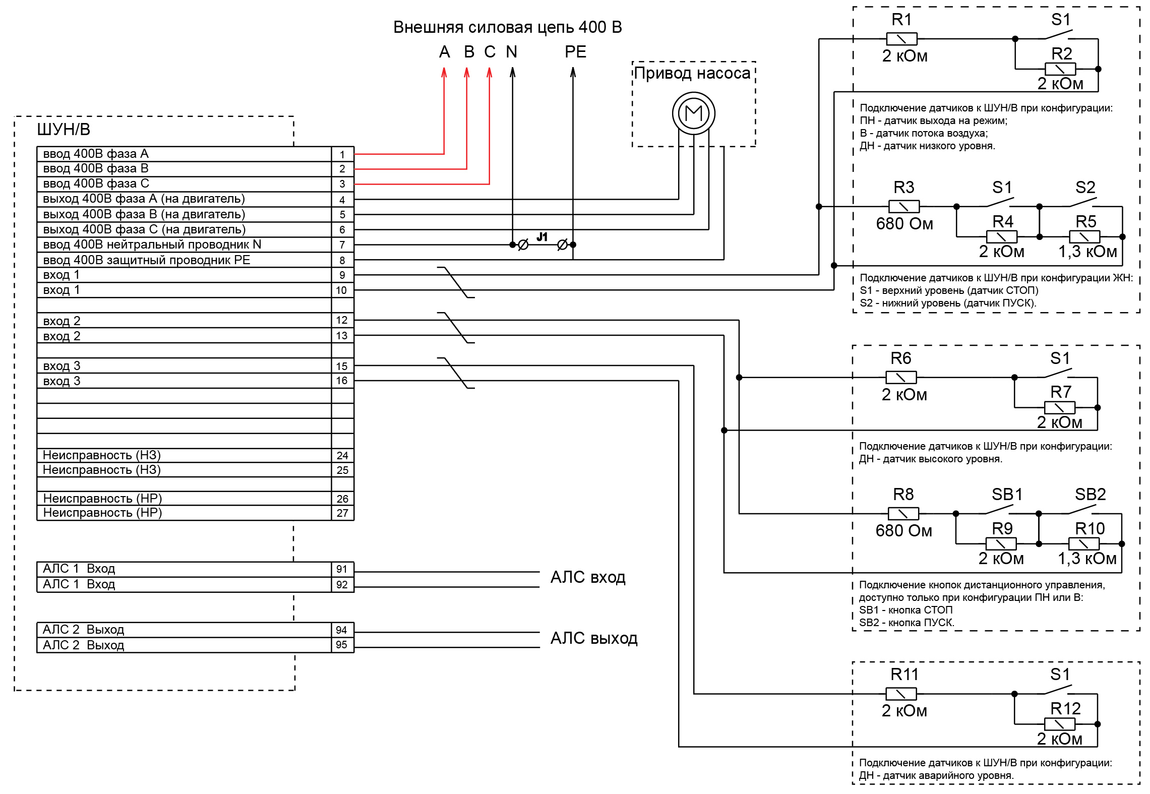
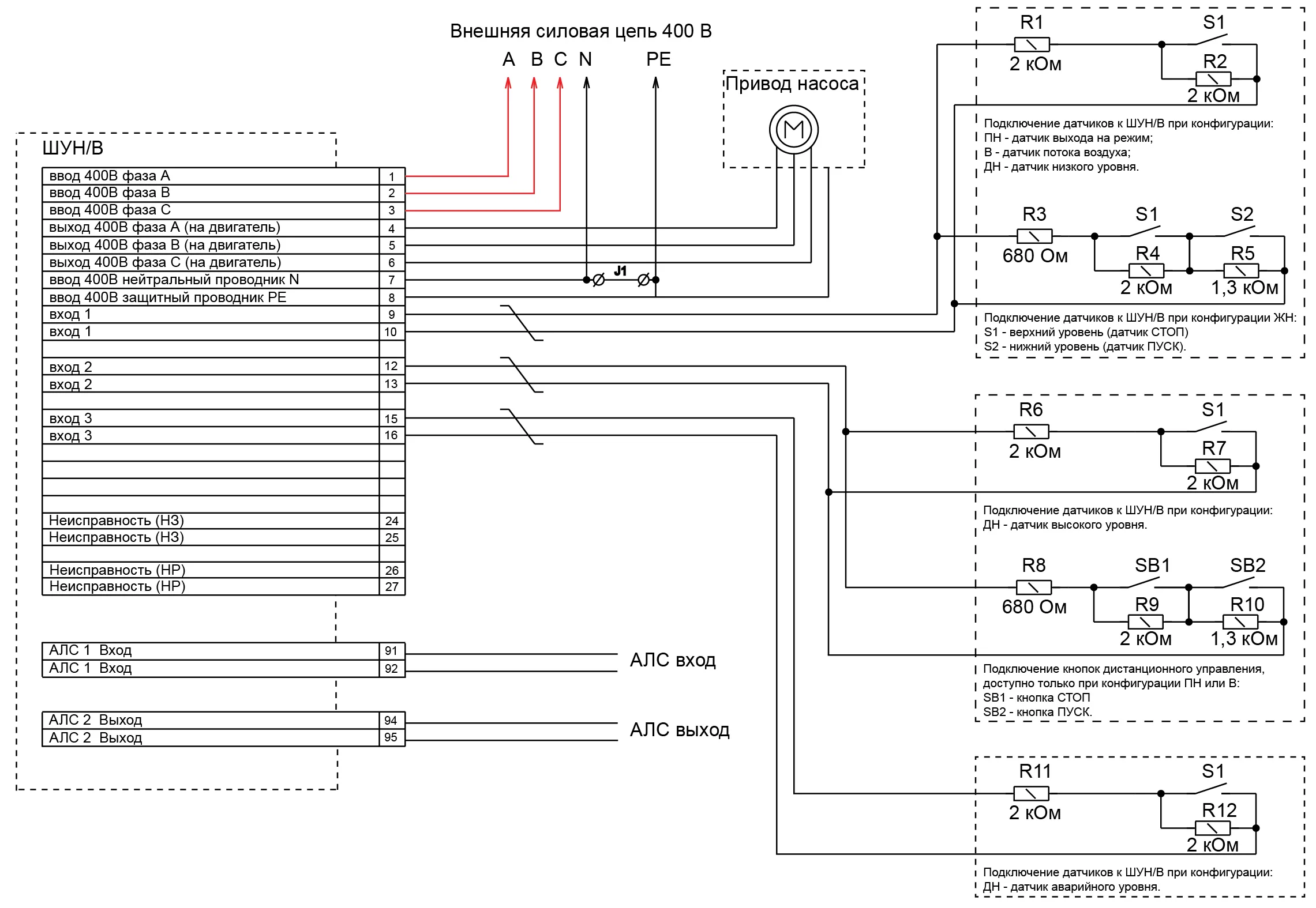
Схема внешних подключений к шкафу управления ШУН/В прот.R3

Шкаф управления насосом или вентилятором ШУН/В-R3, в зависимости от исполнения, может иметь следующие обозначения:

1 Назначение: ШУ - шкаф управления Н/В насос/вентилятор.
2 Тип электросети: О однофазная переменного тока 230 В, при отсутствии индекса - трехфазная переменного тока 400 В.
3 Мощность электродвигателя, кВт:
4 Силовые элементы автоматики:
- 00 производитель Dekraft,
- 01 производитель Schneider Electric,
- 03 производитель Dekraft, без теплового расцепителя,
5 Дополнительные функции: УПП устройство плавного пуска, ПЧ преобразователь частоты.
6 Работа в адресной системе: R3 для подключения в АЛС приборов протокола R3.
- Напряжение питания, В: трехфазная переменного тока 400 В
- Ток потребления от АЛС, мА, не более: 0.21
- Управление калорифером: Нет
- Мощность подключаемого электродвигателя, кВт: 5,5
- Собственная потребляемая мощность от сети, ВА, не более: 100
- Степень защиты оболочки: IР31 (IР54 по требованию заказчика)
- Тип системы заземления: TN-C/ТN-S
- Размеры корпуса, (ВхШхГ), мм: 410410210
- Масса, не более: 5,5
- Средний срок службы, лет: 10
- Диапазон рабочих температур, С: от -25 до +55
ВНИМАНИЕ!! Минимальная сумма заказа 3000 руб.
В онлайн гипермаркете Device Den вы можете оплатить заказ через:
- Безналичный расчёт (доступен для юридических лиц)
- Оплата картой онлайн
Для выбора оплаты товара с помощью банковской карты на странице заказа необходимо выбрать способ оплаты «Оплата картой онлайн». Оплата происходит через платёжную систему Robokassa с использованием банковских карт следующих платежных систем: Мир, Visa и MasterCard
Принимаем оплату только в рублях. Цены всех товаров, кроме лицензий на программное обеспечение, включают в себя НДС.
Мы не принимаем карты American Express.
Описание процесса передачи данных
Для оплаты (ввода реквизитов Вашей карты) Вы будете перенаправлены на платёжный шлюз платежного сервиса Робокасса. Соединение с платёжным шлюзом и передача информации осуществляется в защищённом режиме с использованием протокола шифрования SSL. В случае если Ваш банк поддерживает технологию безопасного проведения интернет-платежей Verified By Visa, MasterCard SecureCode, MIR Accept, J-Secure для проведения платежа также может потребоваться ввод специального пароля.
Настоящий сайт поддерживает 256-битное шифрование. Конфиденциальность сообщаемой персональной информации обеспечивается платежным сервисом Робокасса. Введённая информация не будет предоставлена третьим лицам за исключением случаев, предусмотренных законодательством РФ. Проведение платежей по банковским картам осуществляется в строгом соответствии с требованиями платёжных систем МИР, Visa Int., MasterCard Europe Sprl, JCB.
Курьерская доставка в нашем магазине работает с 9:00 до 23:00 без выходных по Москве и ближайшей МО. Обратите внимание, что курьер передает товар для проверки только после оплаты и не консультирует по приобретённому товару. Доставка во все регионы России осуществляется круглосуточно с помощью транспортных компаний. Самовывоз из офиса доступен с пн-пт с 10:00 до 18:00.
- При сумме заказа менее 70 000 рублей - 590 рублей;
- При сумме заказа более 70 000 рублей - бесплатно.
- При сумме заказа менее 150 000 рублей - 890 рублей;
- При сумме заказа более 150 000 рублей - бесплатно.
Примечание! Есть исключения по отправке крупногабаритных грузов.
ВНИМАНИЕ! Отправка заказа в регионы России осуществляется только после 100% предоплаты.
- При наличии товара на складе доставка осуществляется на следующий день;
- Возможна экспресс доставка при оформлении заказа до 12:00 текущего дня;
- При отсутствии товара на складе сроки поставки уточняйте у менеджера.
- Срок доставки в регионы России может составлять от 1 до 14 дней в зависимости от удалённости региона и выбранного способа доставки.
Примечание! Возможна доставка товара до транспортной компании в день оформления заказа.





Примечание! По просьбе клиентов отправляем заказ любой другой транспортной компанией.