Рубеж МС-Е
- Производитель: Рубеж
- Пришлите полную спецификацию на почту zakaz@deviceden.ru и получите оптовую скидку.
- Срок доставки:1-2 дня
- Минимальный заказ:3000 руб.
- Мы принимаем:Безналичная оплата для юр. лиц

сертифицирован

дилер

доставка
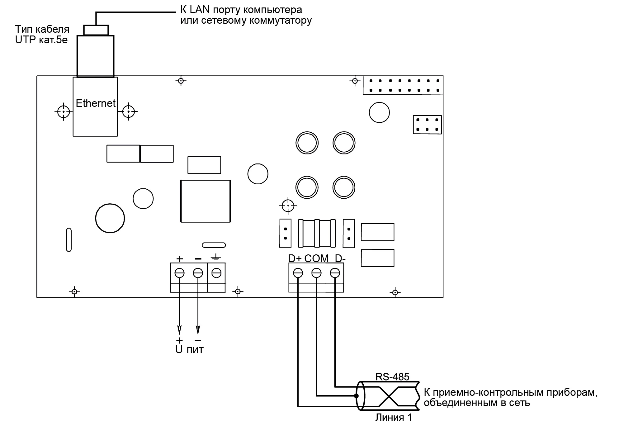
Модуль сопряжения МС-Е обеспечивает:
Питание модуля МС-Е осуществляется как от внешнего источника питания напряжением от 10 до 57 В, так и по технологии PoE (Power Over Ethernet), которая позволяет запитывать модуль по сетевому кабелю, что обеспечивает удобство использования модуля при отсутствии внешнего источника питания.
Параметры работы по Ethernet-каналу:
Скорость передачи данных по интерфейсу RS-485 выбирается из ряда: 19200, 38400, 57600, 115200 бит/сек.
Время технической готовности МС-Е к работе после подключения – не более 3 секунд.
На лицевой стороне модуля расположены светодиодные индикаторы, предназначенные для индикации текущего состояния МС-Е.
Светодиодный индикатор Ethernet:
Светодиодный индикатор RS-485:
Схема подключения модуля сопряжения МС-Е

Технические характеристики
- Напряжение питания: от 10 до 57 В
- Максимальный потребляемый ток в дежурном режиме:
-при напряжении питания 12 В, не более 0,2А
-при напряжение питания 24 В, не более 0,1А - Количество выходов для подключения интерфейсов:
-RS-485, гальванически развязанный - 1
-Ethernet, гальванически развязанный - 1 - Длина кабеля интерфейса RS485, не более: 1000 м
- Габаритные размеры модуля, не более: 125х78х37 мм
- Масса, не более: 200 г
- Рабочий диапазон температур: от 0 до плюс 40°С
- Средний срок службы, не менее: 10 лет
ВНИМАНИЕ!! Минимальная сумма заказа 3000 руб.
В онлайн гипермаркете Device Den вы можете оплатить заказ через:
- Безналичный расчёт (доступен для юридических лиц)
- Оплата картой онлайн
Для выбора оплаты товара с помощью банковской карты на странице заказа необходимо выбрать способ оплаты «Оплата картой онлайн». Оплата происходит через платёжную систему Robokassa с использованием банковских карт следующих платежных систем: Мир, Visa и MasterCard
Принимаем оплату только в рублях. Цены всех товаров, кроме лицензий на программное обеспечение, включают в себя НДС.
Мы не принимаем карты American Express.
Описание процесса передачи данных
Для оплаты (ввода реквизитов Вашей карты) Вы будете перенаправлены на платёжный шлюз платежного сервиса Робокасса. Соединение с платёжным шлюзом и передача информации осуществляется в защищённом режиме с использованием протокола шифрования SSL. В случае если Ваш банк поддерживает технологию безопасного проведения интернет-платежей Verified By Visa, MasterCard SecureCode, MIR Accept, J-Secure для проведения платежа также может потребоваться ввод специального пароля.
Настоящий сайт поддерживает 256-битное шифрование. Конфиденциальность сообщаемой персональной информации обеспечивается платежным сервисом Робокасса. Введённая информация не будет предоставлена третьим лицам за исключением случаев, предусмотренных законодательством РФ. Проведение платежей по банковским картам осуществляется в строгом соответствии с требованиями платёжных систем МИР, Visa Int., MasterCard Europe Sprl, JCB.
Курьерская доставка в нашем магазине работает с 9:00 до 23:00 без выходных по Москве и ближайшей МО. Обратите внимание, что курьер передает товар для проверки только после оплаты и не консультирует по приобретённому товару. Доставка во все регионы России осуществляется круглосуточно с помощью транспортных компаний. Самовывоз из офиса доступен с пн-пт с 10:00 до 18:00.
- При сумме заказа менее 70 000 рублей - 590 рублей;
- При сумме заказа более 70 000 рублей - бесплатно.
- При сумме заказа менее 150 000 рублей - 890 рублей;
- При сумме заказа более 150 000 рублей - бесплатно.
Примечание! Есть исключения по отправке крупногабаритных грузов.
ВНИМАНИЕ! Отправка заказа в регионы России осуществляется только после 100% предоплаты.
- При наличии товара на складе доставка осуществляется на следующий день;
- Возможна экспресс доставка при оформлении заказа до 12:00 текущего дня;
- При отсутствии товара на складе сроки поставки уточняйте у менеджера.
- Срок доставки в регионы России может составлять от 1 до 14 дней в зависимости от удалённости региона и выбранного способа доставки.
Примечание! Возможна доставка товара до транспортной компании в день оформления заказа.





Примечание! По просьбе клиентов отправляем заказ любой другой транспортной компанией.
Теги: Рубеж, Рубеж МС-Е, Предзаказ, , 8 931 руб.