AccordTec AT-VD 710W K EXEL
- Производитель: AccordTec
- Пришлите полную спецификацию на почту zakaz@deviceden.ru и получите оптовую скидку.
- Срок доставки:1-2 дня
- Минимальный заказ:3000 руб.
- Мы принимаем:Безналичная оплата для юр. лиц

сертифицирован

дилер

доставка
Основные функции и особенности AT-VD 710W
7” монитор видеодомофона AT-VD710 W K EXEL предназначен для полнофункциональной работы с подъездным координатным аудиодомофоном типа ”Элтис”, “Цифрал”, “Метаком” и др. На первый вход подключается только подъездная видеокамера. Остальные входы монитора работают в штатном режиме. Для настройки звука с подъездным домофоном имеются две независимые регулировки: микрофон и динамик.
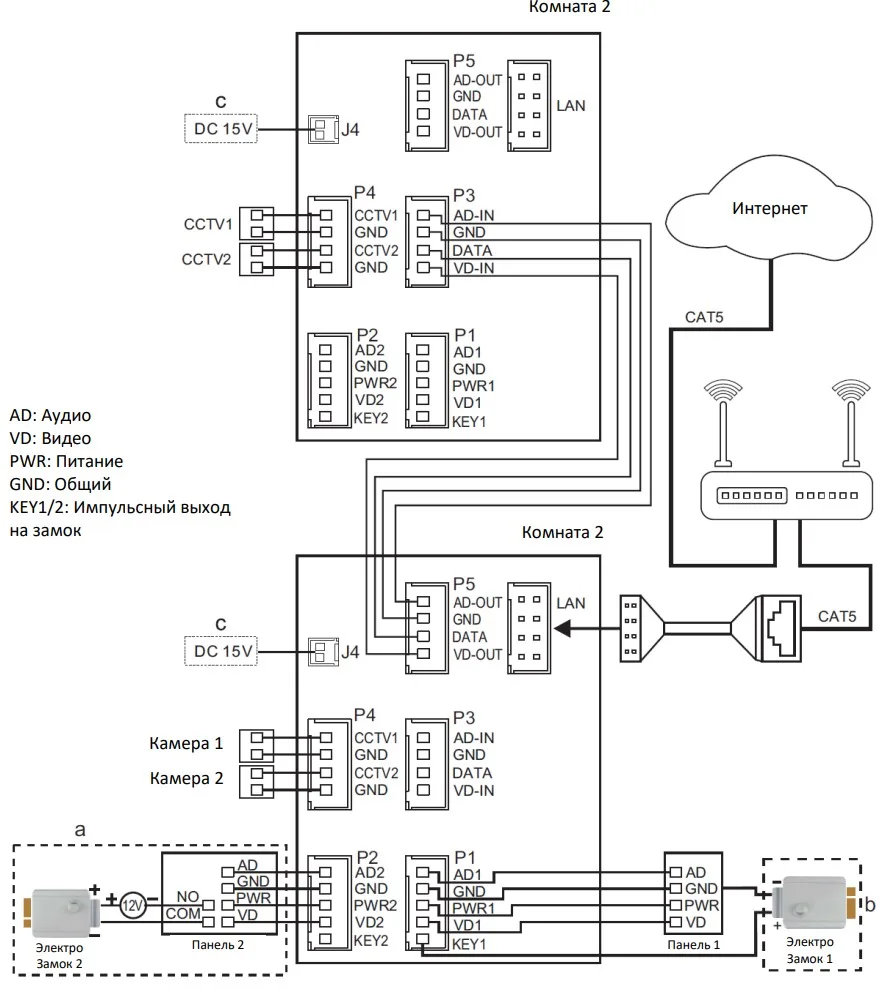
Схема подключения
Пример электрической схемы соединений. Четыре монитора и две вызывные панели.

- Бренд: Accordtec
- Функционал: монитор домофона
- Категория по применению: адаптирован для работы с координатной многоквартирной системой
- Рабочая температура, С: от 0 до +40
- Относительная влажность не более, %: от 0 до 95
- Габаритные размеры, мм: 216 х 129 х 10
- Материал корпуса: пластик
- Цвет корпуса: белый
- Диагональ экрана, дюймы: 7
- Разрешение экрана: 1024 х 600
- Поддерживаемый формат видео: AHD / CVBS
- Подключение вызывных панелей, шт: 2
- Подключение видеокамер, шт: 1
- Мониторов в системе, шт: 1
- Масса, г: 460
- Адресный интерком: есть
- С трубкой, без трубки: без трубки
- Управление: сенсорный экран
- Блок питания: встроенный
- Напряжение питания, В: 220
- Поддержка SD карты: есть
- Запись по детектору двжиения: есть
- Тип монитора: AHD
- Поддержка приложения для смартфона: Tuya Smart
- Поддержка Wi-Fi: есть
- Совместимость с подъездными системами: координатный
- Разрешение AHD: 1080P / 720P
ВНИМАНИЕ!! Минимальная сумма заказа 3000 руб.
В онлайн гипермаркете Device Den вы можете оплатить заказ через:
- Безналичный расчёт (доступен для юридических лиц)
- Оплата картой онлайн
Для выбора оплаты товара с помощью банковской карты на странице заказа необходимо выбрать способ оплаты «Оплата картой онлайн». Оплата происходит через платёжную систему Robokassa с использованием банковских карт следующих платежных систем: Мир, Visa и MasterCard
Принимаем оплату только в рублях. Цены всех товаров, кроме лицензий на программное обеспечение, включают в себя НДС.
Мы не принимаем карты American Express.
Описание процесса передачи данных
Для оплаты (ввода реквизитов Вашей карты) Вы будете перенаправлены на платёжный шлюз платежного сервиса Робокасса. Соединение с платёжным шлюзом и передача информации осуществляется в защищённом режиме с использованием протокола шифрования SSL. В случае если Ваш банк поддерживает технологию безопасного проведения интернет-платежей Verified By Visa, MasterCard SecureCode, MIR Accept, J-Secure для проведения платежа также может потребоваться ввод специального пароля.
Настоящий сайт поддерживает 256-битное шифрование. Конфиденциальность сообщаемой персональной информации обеспечивается платежным сервисом Робокасса. Введённая информация не будет предоставлена третьим лицам за исключением случаев, предусмотренных законодательством РФ. Проведение платежей по банковским картам осуществляется в строгом соответствии с требованиями платёжных систем МИР, Visa Int., MasterCard Europe Sprl, JCB.
Курьерская доставка в нашем магазине работает с 9:00 до 23:00 без выходных по Москве и ближайшей МО. Обратите внимание, что курьер передает товар для проверки только после оплаты и не консультирует по приобретённому товару. Доставка во все регионы России осуществляется круглосуточно с помощью транспортных компаний. Самовывоз из офиса доступен с пн-пт с 10:00 до 18:00.
- При сумме заказа менее 70 000 рублей - 590 рублей;
- При сумме заказа более 70 000 рублей - бесплатно.
- При сумме заказа менее 150 000 рублей - 890 рублей;
- При сумме заказа более 150 000 рублей - бесплатно.
Примечание! Есть исключения по отправке крупногабаритных грузов.
ВНИМАНИЕ! Отправка заказа в регионы России осуществляется только после 100% предоплаты.
- При наличии товара на складе доставка осуществляется на следующий день;
- Возможна экспресс доставка при оформлении заказа до 12:00 текущего дня;
- При отсутствии товара на складе сроки поставки уточняйте у менеджера.
- Срок доставки в регионы России может составлять от 1 до 14 дней в зависимости от удалённости региона и выбранного способа доставки.
Примечание! Возможна доставка товара до транспортной компании в день оформления заказа.





Примечание! По просьбе клиентов отправляем заказ любой другой транспортной компанией.
Теги: AccordTec, AccordTec AT-VD 710W K EXEL, В наличии, Диагональ экрана, 7, Тип, Домофон (переговорное устройство), Количество каналов, 4, Кол-во вызывных панелей, 2, Кол-во камер, 2, Кол-во мониторов, 3, Наличие трубки, Нет, Встроенный блок питания, Да, Переадресация на мобильный, Нет, Способ монтажа, Настенный, Технология/способ установки, Многопроводной, Система изображения, AHD, CVBS, Цвет внутреннего домофона, Белый, Тип связи, Одновременная передача и прием, Рабочая температура (мин), °C, От 0 до +40, С функцией памяти, Да, Тип соединения устройства, Проводное, Количество внутренних домофонов, 1, Внутр. связь, Нет, Расширение до максимального количества наружных блоков, 4, Расширение до максимального количества внутренних блоков, 4, Тип сопряжения, Координатный, 24 806 руб.