Тахион КОСВ
- Производитель: Тахион
- Пришлите полную спецификацию на почту zakaz@deviceden.ru и получите оптовую скидку.
- Срок доставки:1-2 дня
- Минимальный заказ:3000 руб.
- Мы принимаем:Безналичная оплата для юр. лиц

сертифицирован

дилер

доставка
Климатическое исполнение КОСВ соответствует УХЛ1,5 ГОСТ 15150.
Комплект выпускаются по техническим условиям ТУ 26.30.50-077-31006686-2017.
Состав КОСВ:
| 1 | Стеклоочиститель СО-2 с блоком управления БУС-1 |
| 2 | Термошкаф ТШ-3-09 |
| 3 | Омыватель |
| 4 | Бачок омывателя |
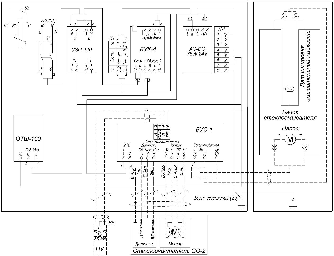
Стеклоочиститель СО-2
Стеклоочиститель СО-2 предназначен для очистки стекла термокожуха видеокамеры от воды и снега, которые удаляются щеткой с электрическим приводом, а также от загрязнения стекла (при комплектации омывателем и бачком омывателя).
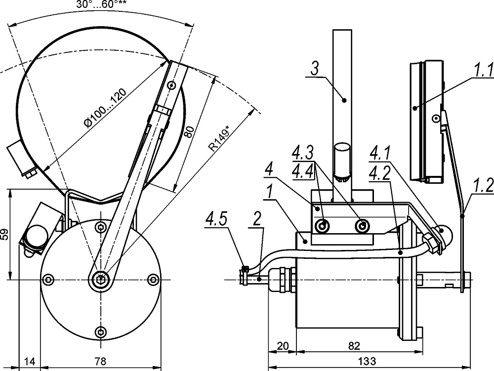
Состав и габаритно-установочные размеры:
* Другая длина поводка стеклоочистителя по отдельной заявке. Для термокожуха ТГБ-11 – R=171мм.
** Заводом-изготовителем установлено 38°.
1. Стеклоочиститель СО-2
1.1. Щётка стеклоочистителя (длина 80 мм)
1.2. Поводок стеклоочистителя
2. Кабель U/UTP 4 cat 5e V/PE (длина 11 м)
3. Хомут Ø = 100 ÷ 120 мм (другой размер – под заказ)
4. Омыватель (по отдельной заявке)
4.1. Форсунка струйная
4.2. Трубка подачи жидкости
4.3. Винт М4х12 – 2 шт.
4.4. Шайба зубчатая 4 – 2 шт.
4.5. Стяжка нейлоновая – 2 шт.
4.6. Ключ шестигранный Г-образный 3мм
5. Бачок омывателя (по отдельной заявке)
5.1. Бачок
5.2. Насос
5.3. Датчик уровня
5.4. Кронштейн
5.5. Клапан обратный
5.6. Кабель
5.7. Винт М5х10 – 3 шт.
5.8. Гайка М5 – 3 шт.
5.9. Шайба гровер 5 – 3 шт.
6. Блок управления стеклоочистителем БУС-1
Состав и габаритные размеры бачка омывателя (в комплект поставки не входит)
Внешний вид и габаритные размеры БУС-1
Схема подключения стеклоочистителя, омывателя, бачка омывателя и пульта управления оператора (в комплект поставки не входит) к БУС-1
Омыватель предназначен для очистки стекла термокожуха видеокамеры от загрязнений совместно со стеклоочистителем СО-1 Ex или СО-2.
Комплектация:
| Кронштейн в составе с форсункой струйной | 1 шт |
| Трубка подачи жидкости | 11 м |
| Винт М4х8 | 2 шт |
| Шайба зубчатая 4 | 2 шт |
| Стяжка нейлоновая | 2 шт |
| Ключ шестигранный Г-образный 3 мм | 1 шт |
- Масса КОСВ: 19,5 кг
- Температура окружающей среды: 60С +50С
- Диапазон рабочих температур: 40С* +50С
* При использовании омывающих жидкостей с температурой замерзания ниже -40С.
ВНИМАНИЕ!! Минимальная сумма заказа 3000 руб.
В онлайн гипермаркете Device Den вы можете оплатить заказ через:
- Безналичный расчёт (доступен для юридических лиц)
- Оплата картой онлайн
Для выбора оплаты товара с помощью банковской карты на странице заказа необходимо выбрать способ оплаты «Оплата картой онлайн». Оплата происходит через платёжную систему Robokassa с использованием банковских карт следующих платежных систем: Мир, Visa и MasterCard
Принимаем оплату только в рублях. Цены всех товаров, кроме лицензий на программное обеспечение, включают в себя НДС.
Мы не принимаем карты American Express.
Описание процесса передачи данных
Для оплаты (ввода реквизитов Вашей карты) Вы будете перенаправлены на платёжный шлюз платежного сервиса Робокасса. Соединение с платёжным шлюзом и передача информации осуществляется в защищённом режиме с использованием протокола шифрования SSL. В случае если Ваш банк поддерживает технологию безопасного проведения интернет-платежей Verified By Visa, MasterCard SecureCode, MIR Accept, J-Secure для проведения платежа также может потребоваться ввод специального пароля.
Настоящий сайт поддерживает 256-битное шифрование. Конфиденциальность сообщаемой персональной информации обеспечивается платежным сервисом Робокасса. Введённая информация не будет предоставлена третьим лицам за исключением случаев, предусмотренных законодательством РФ. Проведение платежей по банковским картам осуществляется в строгом соответствии с требованиями платёжных систем МИР, Visa Int., MasterCard Europe Sprl, JCB.
Курьерская доставка в нашем магазине работает с 9:00 до 23:00 без выходных по Москве и ближайшей МО. Обратите внимание, что курьер передает товар для проверки только после оплаты и не консультирует по приобретённому товару. Доставка во все регионы России осуществляется круглосуточно с помощью транспортных компаний. Самовывоз из офиса доступен с пн-пт с 10:00 до 18:00.
- При сумме заказа менее 70 000 рублей - 590 рублей;
- При сумме заказа более 70 000 рублей - бесплатно.
- При сумме заказа менее 150 000 рублей - 890 рублей;
- При сумме заказа более 150 000 рублей - бесплатно.
Примечание! Есть исключения по отправке крупногабаритных грузов.
ВНИМАНИЕ! Отправка заказа в регионы России осуществляется только после 100% предоплаты.
- При наличии товара на складе доставка осуществляется на следующий день;
- Возможна экспресс доставка при оформлении заказа до 12:00 текущего дня;
- При отсутствии товара на складе сроки поставки уточняйте у менеджера.
- Срок доставки в регионы России может составлять от 1 до 14 дней в зависимости от удалённости региона и выбранного способа доставки.
Примечание! Возможна доставка товара до транспортной компании в день оформления заказа.





Примечание! По просьбе клиентов отправляем заказ любой другой транспортной компанией.
Теги: Тахион КОСВ,