СКАТ Дифференциальный Автоматический Выключатель 6kA 30mA 2П х-ка С 25А тип АС 240/415В TEPLOCOM (8421)
- Производитель: Бастион
- Пришлите полную спецификацию на почту zakaz@deviceden.ru и получите оптовую скидку.
- Срок доставки:1-2 дня
- Минимальный заказ:3000 руб.
- Мы принимаем:Безналичная оплата для юр. лиц

сертифицирован

дилер

доставка
Дифференциальный автоматический выключатель TEPLOCOM ДИФ63/30-2П С25 240/415В
Особенности модели:
- Номинальный ток In (А): 25
- Число полюсов: 2х полюсный с 1 защищенным от сверхтока полюсом
- Номинальная отключающая способность lnc (кА): 6
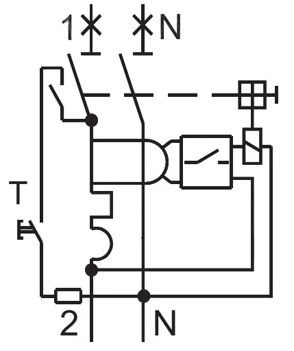
TEPLOCOM ДИФ63/30-2П представляет собой компактный дифференциальный автомат и сочетает в себе функции автоматического выключателя и устройств защитного отключения. Он срабатывает и при утечке тока на землю, и при коротких замыканиях в момент перегрузки сети. Защищает человека от поражения электрическим током, а проводку от возгорания.
Дифференциальный Автоматический Выключатель серии TEPLOCOM ДИФ63-2П выполнен из качественных материалов, поэтому перепады температур не оказывают влияние на работу устройства, кроме этого, обеспечивают защиту от механического повреждения. Ударопрочный корпус из специального пластика. Безопасные клеммы исключают попадание кабелей в заклеммное пространство. TEPLOCOM ДИФ63-2П выпускаются в двухполюсном исполнении на номинальные токи 16, 20, 25, 32, 40, 50, 63 А и номинальные отключающие дифференциальные токи 10, 30 мА. Монтаж изделия производится на DIN-рейку.
Особенности TEPLOCOM ДИФ63/30-2П С25 240/415В
- Проведение тока в нормальном режиме.
- Отключение тока при коротких замыканиях или перегрузке.
- Отключение тока при прикосновении человека к токоведущим частям электроустановок или протекании дифференциального (утечки) тока на землю.
- Наиболее надёжная защита человека при прямом прикосновении к токоведущим частям.
- Максимально плотный контакт благодаря насечкам на зажимах увеличивается прочность соединения, предотвращается перегрев и оплавление подключенных проводников,
- Наличие кнопки ТЕСТ для проверки работоспособности устройства и правильности подключения.
- Возможность установки в качестве вводного устройства благодаря высокому значению ПКС 6 кА
- Эффективное охлаждение через профильные углубления на корпусе,
- Компактность - занимает 2 стандартных места на DIN-рейке
- Простой монтаж на DIN-рейку за счет наличия защелки с двумя фиксированными положениями
- Контроль положения контактов благодаря цветовому индикатору
- Отсутствие ложных срабатываний благодаря повышенной помехозащищенности
- Ударопрочный корпус из специального пластика

Комплект поставки
- Выключатель (типоисполнение см. на маркировке),
- Руководство по эксплуатации - 1 шт. в упаковку.
- Количество полюсов: 2
- Номинальный ток In (А): 25
- Характеристика срабатывания - кривая тока: С
- Номинальное рабочее напряжение переменного тока Ue (В): 240/415
- Номинальный отключающий дифференциальный ток In (мА): 10,30
- Номинальная отключающая способность lnc (кА): 6
- Класс токоограничения: 3
- Частота тока (Гц): 50/60
- Тид расцепителя: Тепловой, электромагнитный
- Тип тока утечки: Переменный (AC)
- Тип монтажа: На DIN-рейку
- Тип подключения: Винтовое соединение
- Степень защиты (IP): 20
- Диапазон рабочих температур, (С): -25...+40
- Гарантийный срок, лет: 5
- Масса АВДТ, не более, кг: 0,19
ВНИМАНИЕ!! Минимальная сумма заказа 3000 руб.
В онлайн гипермаркете Device Den вы можете оплатить заказ через:
- Безналичный расчёт (доступен для юридических лиц)
- Оплата картой онлайн
Для выбора оплаты товара с помощью банковской карты на странице заказа необходимо выбрать способ оплаты «Оплата картой онлайн». Оплата происходит через платёжную систему Robokassa с использованием банковских карт следующих платежных систем: Мир, Visa и MasterCard
Принимаем оплату только в рублях. Цены всех товаров, кроме лицензий на программное обеспечение, включают в себя НДС.
Мы не принимаем карты American Express.
Описание процесса передачи данных
Для оплаты (ввода реквизитов Вашей карты) Вы будете перенаправлены на платёжный шлюз платежного сервиса Робокасса. Соединение с платёжным шлюзом и передача информации осуществляется в защищённом режиме с использованием протокола шифрования SSL. В случае если Ваш банк поддерживает технологию безопасного проведения интернет-платежей Verified By Visa, MasterCard SecureCode, MIR Accept, J-Secure для проведения платежа также может потребоваться ввод специального пароля.
Настоящий сайт поддерживает 256-битное шифрование. Конфиденциальность сообщаемой персональной информации обеспечивается платежным сервисом Робокасса. Введённая информация не будет предоставлена третьим лицам за исключением случаев, предусмотренных законодательством РФ. Проведение платежей по банковским картам осуществляется в строгом соответствии с требованиями платёжных систем МИР, Visa Int., MasterCard Europe Sprl, JCB.
Курьерская доставка в нашем магазине работает с 9:00 до 23:00 без выходных по Москве и ближайшей МО. Обратите внимание, что курьер передает товар для проверки только после оплаты и не консультирует по приобретённому товару. Доставка во все регионы России осуществляется круглосуточно с помощью транспортных компаний. Самовывоз из офиса доступен с пн-пт с 10:00 до 18:00.
- При сумме заказа менее 70 000 рублей - 590 рублей;
- При сумме заказа более 70 000 рублей - бесплатно.
- При сумме заказа менее 150 000 рублей - 890 рублей;
- При сумме заказа более 150 000 рублей - бесплатно.
Примечание! Есть исключения по отправке крупногабаритных грузов.
ВНИМАНИЕ! Отправка заказа в регионы России осуществляется только после 100% предоплаты.
- При наличии товара на складе доставка осуществляется на следующий день;
- Возможна экспресс доставка при оформлении заказа до 12:00 текущего дня;
- При отсутствии товара на складе сроки поставки уточняйте у менеджера.
- Срок доставки в регионы России может составлять от 1 до 14 дней в зависимости от удалённости региона и выбранного способа доставки.
Примечание! Возможна доставка товара до транспортной компании в день оформления заказа.





Примечание! По просьбе клиентов отправляем заказ любой другой транспортной компанией.
Теги: СКАТ Дифференциальный Автоматический Выключатель 6kA 30mA 2П х-ка С 25А тип АС 240/415В TEPLOCOM (8421), Количество полюсов:2
