ELTIS SC305-D2
- Производитель: ELTIS
- Пришлите полную спецификацию на почту zakaz@deviceden.ru и получите оптовую скидку.
- Срок доставки:1-2 дня
- Минимальный заказ:3000 руб.
- Мы принимаем:Безналичная оплата для юр. лиц

сертифицирован

дилер

доставка
Пульт консьержа ELTIS SC305-D2 предназначен для оборудования рабочего места консьержа в составе домофонного комплекса ELTIS300, 303, 305 и обеспечивает:
Основные функции:
(*) в дневном режиме работы звонки посетителей адресуются непосредственно абоненту, в ночном — на пульт консьержа.
Внешний вид пульта консьержа SC305-D2
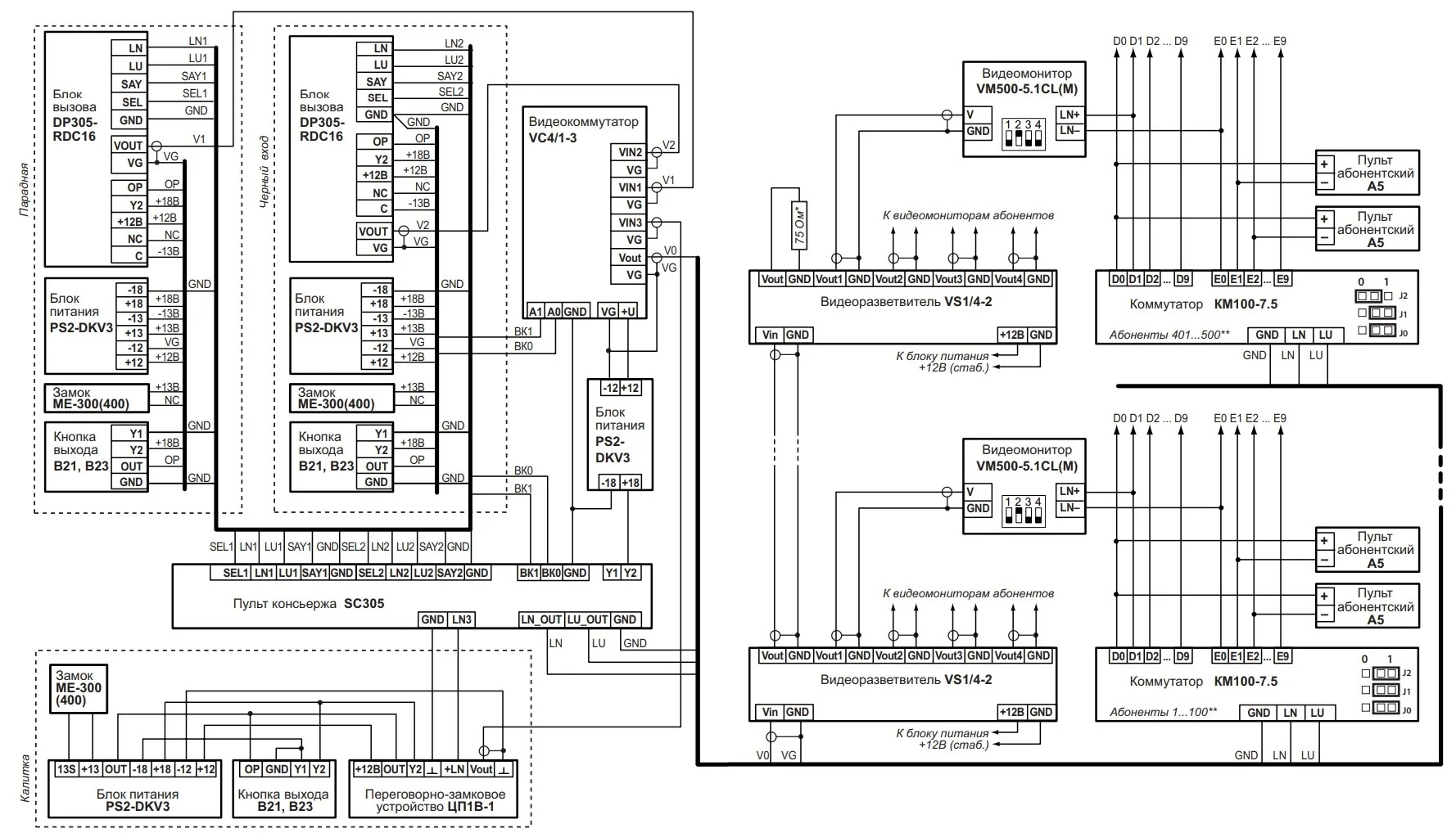
Схема подключения пульта консьержа SC305-D1 (D2) в составе домофонного комплексадля одного подъезда
Схема подключения пульта консьержа SC305-D1 (D2) при подключении блоков питания PS2-DKV3
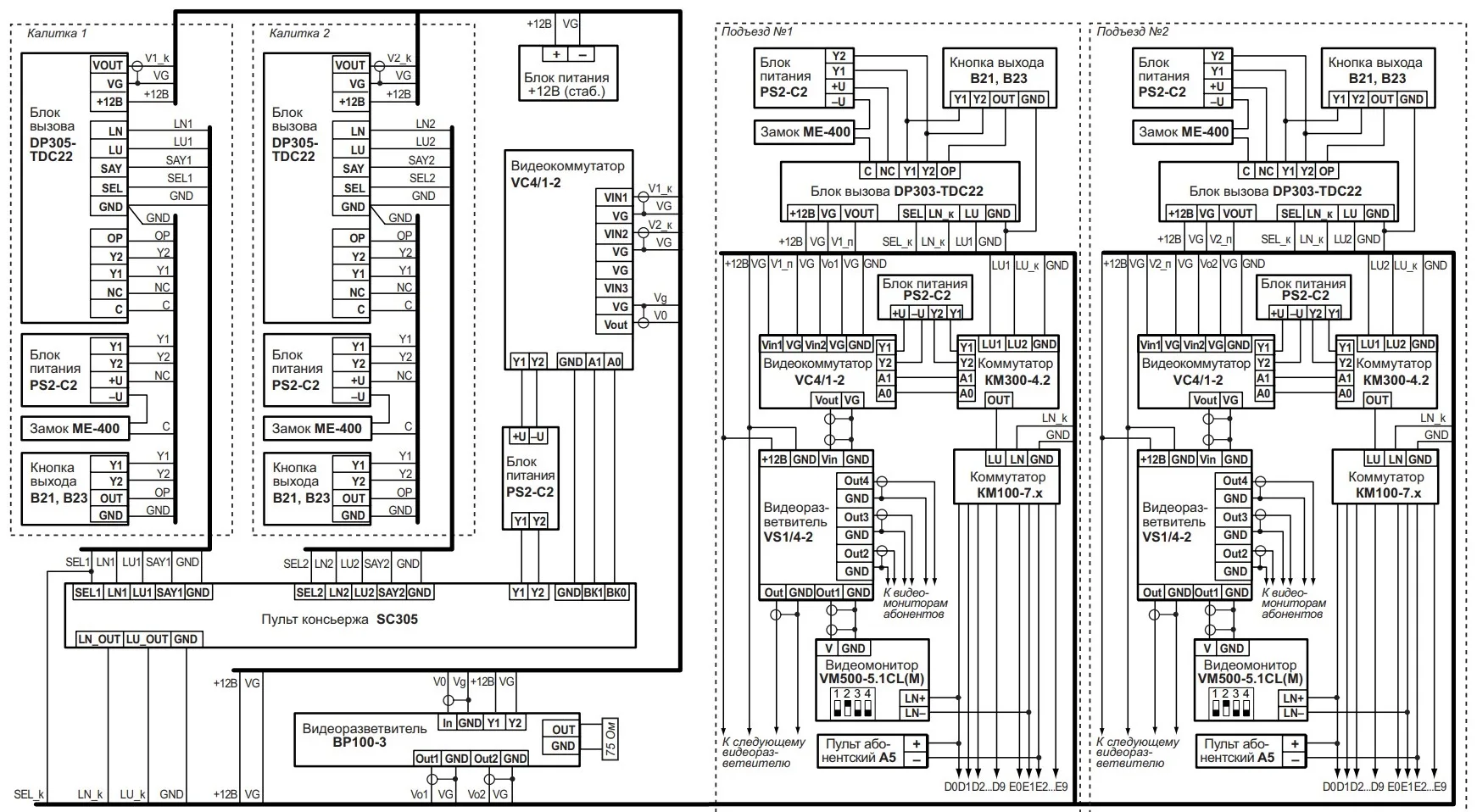
Схема подключения пульта консьержа SC305-D1 (D2) в составе домофонного комплекса для закрытой территории с 2-мя калитками и 2-мя подъездами.

- Тип прокладки кабелей связи: координатно-матричный
- Максимальное количество абонентов: 500
- Максимальное количество блоков вызова: 2
- Максимальное количество переговорно-замковых устройств: 2
- Максимальное количество коммутируемых видеокамер: 4
- Максимально допустимый номер квартиры: 1999
- Максимальное количество событий, регистрируемых в журнале: 1000
- Максимальное время, отведенное на ввод одной цифры номера квартиры, сек.: 25
- Максимальное время формирования сигнала вызова, сек.: 60
- Максимальное время, отведенное на разговор с абонентом, сек.: 90
- Максимальная мощность потребления, Вт: 2
- Максимально допустимое сопротивление линии связи, Ом: 30
- Напряжение питания, В: ~15В(10)%
- Габаритные размеры, мм: 168х203х76
- Масса, кг: 0,51
ВНИМАНИЕ!! Минимальная сумма заказа 3000 руб.
В онлайн гипермаркете Device Den вы можете оплатить заказ через:
- Безналичный расчёт (доступен для юридических лиц)
- Оплата картой онлайн
Для выбора оплаты товара с помощью банковской карты на странице заказа необходимо выбрать способ оплаты «Оплата картой онлайн». Оплата происходит через платёжную систему Robokassa с использованием банковских карт следующих платежных систем: Мир, Visa и MasterCard
Принимаем оплату только в рублях. Цены всех товаров, кроме лицензий на программное обеспечение, включают в себя НДС.
Мы не принимаем карты American Express.
Описание процесса передачи данных
Для оплаты (ввода реквизитов Вашей карты) Вы будете перенаправлены на платёжный шлюз платежного сервиса Робокасса. Соединение с платёжным шлюзом и передача информации осуществляется в защищённом режиме с использованием протокола шифрования SSL. В случае если Ваш банк поддерживает технологию безопасного проведения интернет-платежей Verified By Visa, MasterCard SecureCode, MIR Accept, J-Secure для проведения платежа также может потребоваться ввод специального пароля.
Настоящий сайт поддерживает 256-битное шифрование. Конфиденциальность сообщаемой персональной информации обеспечивается платежным сервисом Робокасса. Введённая информация не будет предоставлена третьим лицам за исключением случаев, предусмотренных законодательством РФ. Проведение платежей по банковским картам осуществляется в строгом соответствии с требованиями платёжных систем МИР, Visa Int., MasterCard Europe Sprl, JCB.
Курьерская доставка в нашем магазине работает с 9:00 до 23:00 без выходных по Москве и ближайшей МО. Обратите внимание, что курьер передает товар для проверки только после оплаты и не консультирует по приобретённому товару. Доставка во все регионы России осуществляется круглосуточно с помощью транспортных компаний. Самовывоз из офиса доступен с пн-пт с 10:00 до 18:00.
- При сумме заказа менее 70 000 рублей - 590 рублей;
- При сумме заказа более 70 000 рублей - бесплатно.
- При сумме заказа менее 150 000 рублей - 890 рублей;
- При сумме заказа более 150 000 рублей - бесплатно.
Примечание! Есть исключения по отправке крупногабаритных грузов.
ВНИМАНИЕ! Отправка заказа в регионы России осуществляется только после 100% предоплаты.
- При наличии товара на складе доставка осуществляется на следующий день;
- Возможна экспресс доставка при оформлении заказа до 12:00 текущего дня;
- При отсутствии товара на складе сроки поставки уточняйте у менеджера.
- Срок доставки в регионы России может составлять от 1 до 14 дней в зависимости от удалённости региона и выбранного способа доставки.
Примечание! Возможна доставка товара до транспортной компании в день оформления заказа.





Примечание! По просьбе клиентов отправляем заказ любой другой транспортной компанией.
Теги: ELTIS, ELTIS SC305-D2, Предзаказ, Тип, Пульт консьержа, 11 285 руб.