RusGuard ACS-105-CE-BM(POE)
- Производитель: RusGuard
- Пришлите полную спецификацию на почту zakaz@deviceden.ru и получите оптовую скидку.
- Срок доставки:1-2 дня
- Минимальный заказ:3000 руб.
- Мы принимаем:Безналичная оплата для юр. лиц

сертифицирован

дилер

доставка
Контроллер СКУД ACS-105-CE-ВM (POE)
Контроллер со встроенным модулем PoE. Металлический корпус с местом под аккумулятор (1,3Ач). Полноценная работа с терминалами распознавания лиц R20-Face.
Контроллеры с маркировкой POE имеют встроенный PoE-сплиттер с максимальной силой тока до 3А. Этого достаточно для питания самого контроллера, двух электромагнитных замков и двух считывателей бесконтактных карт (при условии, что ваши серверные свитчи способны отдавать ток с таким напряжением). Использование технологии PoE позволяет значительно упростить монтаж контроллеров, так как для связи с сервером и для питания используется один и тот же кабель.
Встроенный сплиттер имеет собственный блок питания. Это позволяет устанавливать в корпус контроллера аккумуляторную батарею, поэтому в случае потери напряжения контроллер сможет проработать еще 8-12 часов. Кроме того, встроенный блок питания имеет надежную электронную защиту от короткого замыкания.
В отличие от контроллера ACS-102-CE-BM (POE) контроллер 105 линейки имеет предустановленные интерфейсы RS-232 и RS-485. Наличие этих интерфейсов позволяет полноценно использовать контроллер совместно с терминалами распознавания лиц R20-Face, в том числе и в режиме двухфакторной идентификации (карта + лицо).
Контроллер имеет металлический корпус, поэтому он защищен от внешних воздействий лучше, чем модель в пластиковом корпусе (ACS-102-CE-ВM (POE)). Механический замок позволяет ограничить доступ к плате контроллера и другим элементам коммутации.
Схемы подключения
Общая схема подключения контроллера в режиме Дверь

Общая схема подключения контроллера в режиме Две двери

Общая схема подключения контроллера в режиме Турникет с картоприемником

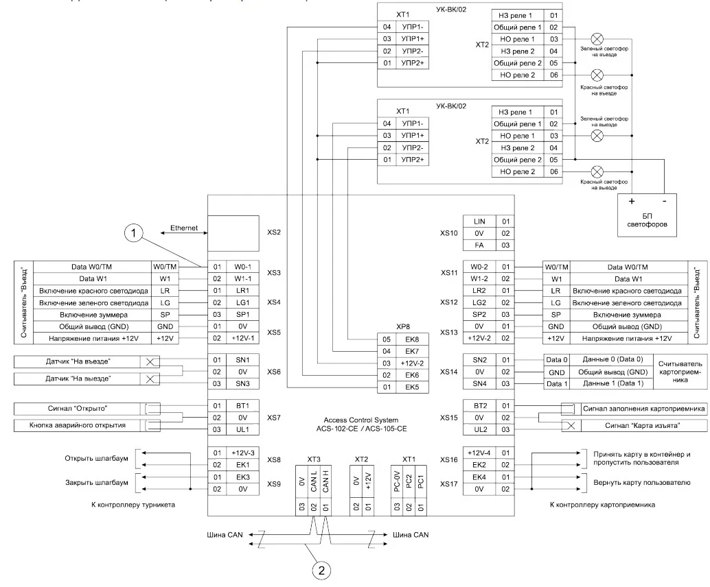
Общая схема подключения контроллера в режиме Шлагбаум/ворота с картоприёмником

Схема подключения Турникета PERCo - ТВС 01

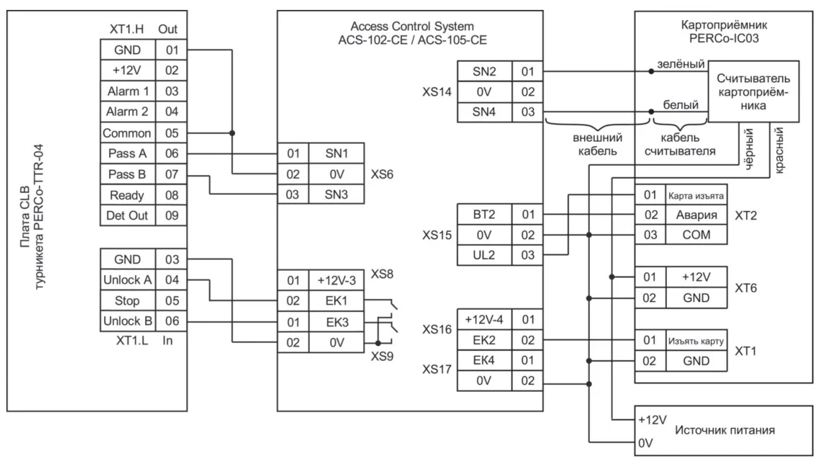
Схема подключения Турникета PERCo-TTR-04 и устройства сбора Proximity карт PERCo IC03

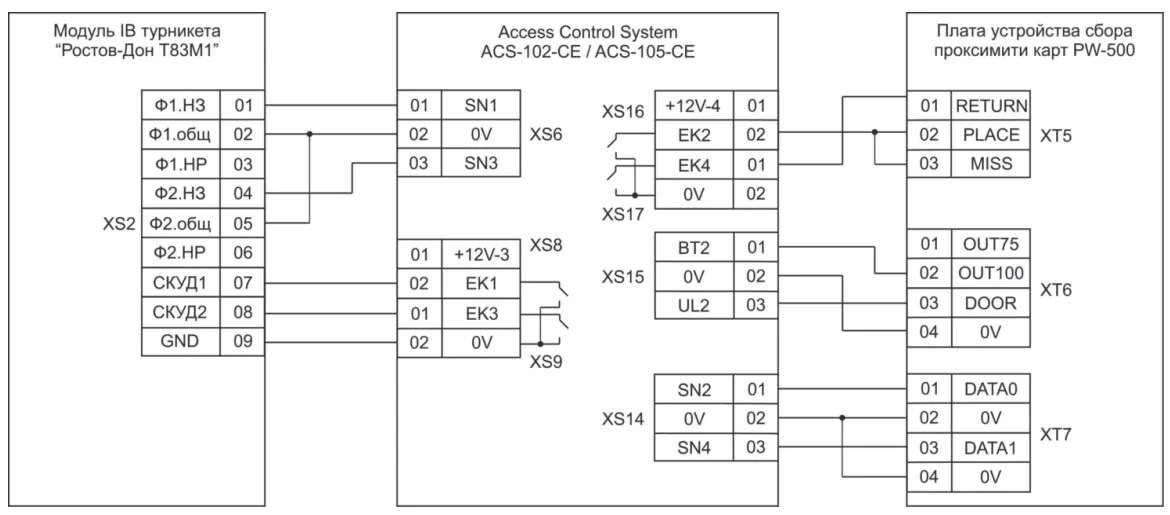
Схема подключения Турникета Ростов-Дон Т83М1 и устройства сбора Proximity карт PW-500

Схемы подключения исполнительного устройства с питанием:

Корпус, питание
- металлический с тампером вскрытия
- IEEE 802.3at (PoE+), IEEE 802.3af (PoE), Hi-PoE
- возможность установки аккумулятора 1,3Ач с габаритами до 97x44x53мм (не входит в комплект поставки)
Интерфейс
- CAN-HS - до 110 контроллеров на линии максимальной протяженностью 1 км подключение к серверу через Ethernet порт любого контроллера в сети
- 10/100 BASE-T подключение каждого контроллера непосредственно к сети Ethernet
Точки доступа
- дверь - считыватель на вход и выход
- две двери - считыватели только на вход
- турникет с картоприемником- считыватель на вход и выход + считыватель картоприемника
- ворота шлагбаум с картоприемником + управление светофорами
Считыватели
- RBus
- Wiegand- 26-58
- TouchMemory
- интерфейс клавиатуры (PS2, KBW)
- RS-232
- настраиваемая полярность управления индикацией
Энергонезависимая память контроллера
- количество ключей - до 64 000 (длина ключа до 6 байт, настраиваемая)
- количество событий - до 60 000
Индикация, выходы, входы
- 8 исполнительных электронных реле с индивидуальными настройками (4 силовых + 4 слаботочных)
- 4 раздельных канала питания нагрузок с индивидуальными электронными защитами от перегрузки
- 8 дополнительных входов (кнопки, датчики и т.д.)
- 2 входа сухой контакт. Контроль сети и разряда АКБ
- 2 входа типа сухой контакт для подключения охранных датчиков
Режимы идентификации
- ключ
- ключ +ПИН
- ключ с подтверждением ключом
- ключ с подтверждением внешним разрешением
- лицо (совместно с терминалом R20-Face)
- ключ или лицо (совместно с терминалом R20-Face)
- ключ и лицо (совместно с терминалом R20-Face)
Масса, размер (ШхВхГ)
- 1.6 кг
- 172х256х84 мм
Защита, температурный режим
- IP20
- от -40 до +50
- Гарантия: 5 лет
ВНИМАНИЕ!! Минимальная сумма заказа 3000 руб.
В онлайн гипермаркете Device Den вы можете оплатить заказ через:
- Безналичный расчёт (доступен для юридических лиц)
- Оплата картой онлайн
Для выбора оплаты товара с помощью банковской карты на странице заказа необходимо выбрать способ оплаты «Оплата картой онлайн». Оплата происходит через платёжную систему Robokassa с использованием банковских карт следующих платежных систем: Мир, Visa и MasterCard
Принимаем оплату только в рублях. Цены всех товаров, кроме лицензий на программное обеспечение, включают в себя НДС.
Мы не принимаем карты American Express.
Описание процесса передачи данных
Для оплаты (ввода реквизитов Вашей карты) Вы будете перенаправлены на платёжный шлюз платежного сервиса Робокасса. Соединение с платёжным шлюзом и передача информации осуществляется в защищённом режиме с использованием протокола шифрования SSL. В случае если Ваш банк поддерживает технологию безопасного проведения интернет-платежей Verified By Visa, MasterCard SecureCode, MIR Accept, J-Secure для проведения платежа также может потребоваться ввод специального пароля.
Настоящий сайт поддерживает 256-битное шифрование. Конфиденциальность сообщаемой персональной информации обеспечивается платежным сервисом Робокасса. Введённая информация не будет предоставлена третьим лицам за исключением случаев, предусмотренных законодательством РФ. Проведение платежей по банковским картам осуществляется в строгом соответствии с требованиями платёжных систем МИР, Visa Int., MasterCard Europe Sprl, JCB.
Курьерская доставка в нашем магазине работает с 9:00 до 23:00 без выходных по Москве и ближайшей МО. Обратите внимание, что курьер передает товар для проверки только после оплаты и не консультирует по приобретённому товару. Доставка во все регионы России осуществляется круглосуточно с помощью транспортных компаний. Самовывоз из офиса доступен с пн-пт с 10:00 до 18:00.
- При сумме заказа менее 70 000 рублей - 590 рублей;
- При сумме заказа более 70 000 рублей - бесплатно.
- При сумме заказа менее 150 000 рублей - 890 рублей;
- При сумме заказа более 150 000 рублей - бесплатно.
Примечание! Есть исключения по отправке крупногабаритных грузов.
ВНИМАНИЕ! Отправка заказа в регионы России осуществляется только после 100% предоплаты.
- При наличии товара на складе доставка осуществляется на следующий день;
- Возможна экспресс доставка при оформлении заказа до 12:00 текущего дня;
- При отсутствии товара на складе сроки поставки уточняйте у менеджера.
- Срок доставки в регионы России может составлять от 1 до 14 дней в зависимости от удалённости региона и выбранного способа доставки.
Примечание! Возможна доставка товара до транспортной компании в день оформления заказа.





Примечание! По просьбе клиентов отправляем заказ любой другой транспортной компанией.
Теги: RusGuard ACS-105-CE-BM(POE),