RusGuard ACS-105-CE-S
- Производитель: RusGuard
- Пришлите полную спецификацию на почту zakaz@deviceden.ru и получите оптовую скидку.
- Срок доставки:1-2 дня
- Минимальный заказ:3000 руб.
- Мы принимаем:Безналичная оплата для юр. лиц

сертифицирован

дилер

доставка
Схемы подключения
Общая схема подключения контроллера в режиме Дверь
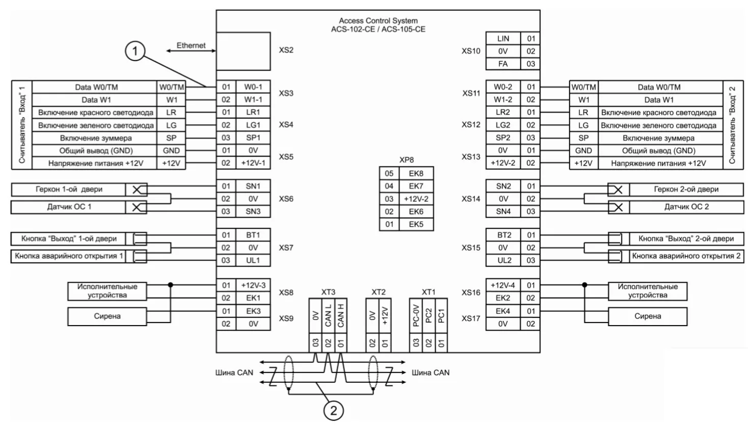
Общая схема подключения контроллера в режиме Две двери
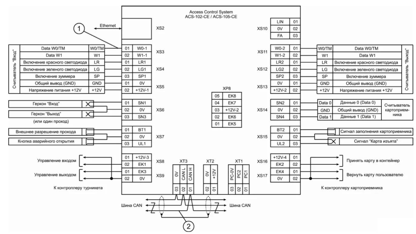
Общая схема подключения контроллера в режиме Турникет с картоприемником
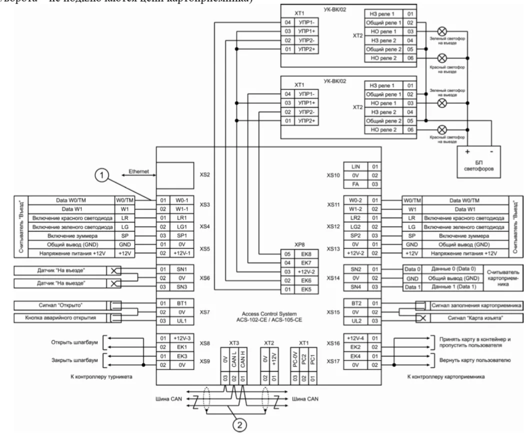
Общая схема подключения контроллера в режиме Шлагбаум/ворота с картоприёмником
Схема подключения Турникета PERCo - ТВС – 01
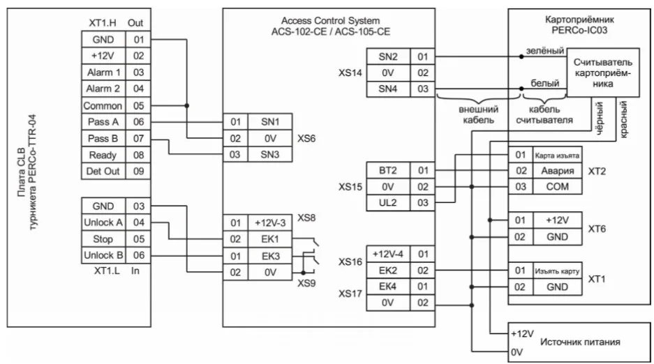
Схема подключения Турникета PERCo-TTR-04 и устройства сбора Proximity карт PERCo-IC03
Схема подключения Турникета “Ростов-Дон Т83М1” и устройства сбора Proximity карт PW-500
Схемы подключения исполнительного устройства с питанием:
Схема подключения Замка AL-xxx-12 к контроллеру
Схема подключения Замка Tantos TRD-1086S
Общая схема подключения Считывателя с форматом Touch Memory
Общая схема подключения Считывателя с форматом Wiegand
Схема подключения Считывателя RDR-102 RusGuard с форматом Wiegand
Схема подключения Считывателя RDR-202-Multi RusGuard с форматом Wiegand

- CAN-HS - High Speed Control Area Network, до 110 контроллеров на линии максимальной протяженностью 1 км., подключение к серверу через Ethernet порт любого контроллера в сети
- Ethernet 10/100 BASE-T. Подключение каждого контроллера непосредственно к сети Ethernet
Точки доступа - Дверь
- Две двери (считыватель на вход, кнопка на выход)
- Турникет с картоприемником
- Ворота шлагбаум с картоприемником + управление светофорами.
Считыватели - Wiegand-26/37/44/52/58
- TouchMemory
- Интерфейс клавиатуры (PS2, KBW)
- Настраиваемая полярность управления индикацией
- Настраиваемая длина считываемого кода ключа
Энергонезависимая память контроллера - Количество ключей - до 64 000
- Количество событий - до 60 000
Защита - 4 независимых канала питания нагрузок с индивидуальной защитой от короткого замыкания и перегрузки по току
- супрессорная защита всех сигнальных цепей от электростатических разрядов
Расписания - 127 суточных расписаний, 255 дневных, 255 недельных расписаний
- До 4 временных интервалов в сутки
- Автономный учет праздников и переносов
AntipassBack - Локальный
- Глобальный (в сети из нескольких контроллеров работает без участия сервера)
- Возможность построения вложенных зон AntiPassBack
Входы, выходы - 8 исполнительных электронных реле с индивидуальными настройками и защитой (4 силовых + 4 слаботочных)
- 12 дополнительных входов (кнопки, датчики и т.д.)
- 2 входа “сухой контакт”. Контроль сети и разряда АКБ
Интерфейс
ВНИМАНИЕ!! Минимальная сумма заказа 3000 руб.
В онлайн гипермаркете Device Den вы можете оплатить заказ через:
- Безналичный расчёт (доступен для юридических лиц)
- Оплата картой онлайн
Для выбора оплаты товара с помощью банковской карты на странице заказа необходимо выбрать способ оплаты «Оплата картой онлайн». Оплата происходит через платёжную систему Robokassa с использованием банковских карт следующих платежных систем: Мир, Visa и MasterCard
Принимаем оплату только в рублях. Цены всех товаров, кроме лицензий на программное обеспечение, включают в себя НДС.
Мы не принимаем карты American Express.
Описание процесса передачи данных
Для оплаты (ввода реквизитов Вашей карты) Вы будете перенаправлены на платёжный шлюз платежного сервиса Робокасса. Соединение с платёжным шлюзом и передача информации осуществляется в защищённом режиме с использованием протокола шифрования SSL. В случае если Ваш банк поддерживает технологию безопасного проведения интернет-платежей Verified By Visa, MasterCard SecureCode, MIR Accept, J-Secure для проведения платежа также может потребоваться ввод специального пароля.
Настоящий сайт поддерживает 256-битное шифрование. Конфиденциальность сообщаемой персональной информации обеспечивается платежным сервисом Робокасса. Введённая информация не будет предоставлена третьим лицам за исключением случаев, предусмотренных законодательством РФ. Проведение платежей по банковским картам осуществляется в строгом соответствии с требованиями платёжных систем МИР, Visa Int., MasterCard Europe Sprl, JCB.
Курьерская доставка в нашем магазине работает с 9:00 до 23:00 без выходных по Москве и ближайшей МО. Обратите внимание, что курьер передает товар для проверки только после оплаты и не консультирует по приобретённому товару. Доставка во все регионы России осуществляется круглосуточно с помощью транспортных компаний. Самовывоз из офиса доступен с пн-пт с 10:00 до 18:00.
- При сумме заказа менее 70 000 рублей - 590 рублей;
- При сумме заказа более 70 000 рублей - бесплатно.
- При сумме заказа менее 150 000 рублей - 890 рублей;
- При сумме заказа более 150 000 рублей - бесплатно.
Примечание! Есть исключения по отправке крупногабаритных грузов.
ВНИМАНИЕ! Отправка заказа в регионы России осуществляется только после 100% предоплаты.
- При наличии товара на складе доставка осуществляется на следующий день;
- Возможна экспресс доставка при оформлении заказа до 12:00 текущего дня;
- При отсутствии товара на складе сроки поставки уточняйте у менеджера.
- Срок доставки в регионы России может составлять от 1 до 14 дней в зависимости от удалённости региона и выбранного способа доставки.
Примечание! Возможна доставка товара до транспортной компании в день оформления заказа.





Примечание! По просьбе клиентов отправляем заказ любой другой транспортной компанией.
Теги: RusGuard ACS-105-CE-S,