Protectowire PIM-120
- Производитель: Protectowire
- Пришлите полную спецификацию на почту zakaz@deviceden.ru и получите оптовую скидку.
- Срок доставки:1-2 дня
- Минимальный заказ:3000 руб.
- Мы принимаем:Безналичная оплата для юр. лиц

сертифицирован

дилер

доставка
Описание Protectowire PIM-120
Интерфейсный модуль Protectowire PIM-120 состоит из одной электронной платы, которая может монтироваться в пластмассовый корпус. На корпусе платы находится индикация - состояние «ПОЖАР» и «НЕИСПРАВНОСТЬ». Основной особенностью PIM-120 является расширенный диапазон – возможность подключения термокабеля длиной до 2000 метров и малые габариты.Преобразователь интерфейса PIM-120 требует питание от внешнего источника 24В. Выходные сигналы типа «сухой контакт»: ПОЖАР и НЕИСПРАВНОСТЬ.
Схема подключения модуля ПИМ-120
Устройство и принцип работы модуля
Модуль контролирует состояние одного термокабеля. На плате модуля имеются индикаторы режима работы термокабеля. Красный светодиод индицирует режим 'ПОЖАР', желтый светодиод - режим «НЕИСПРАВНОСТЬ», зеленый светодиод – наличие напряжения питания. Модуль транслирует состояние термокабеля через релейные выходы «ПОЖАР» и «НЕИСПРАВНОСТЬ». К прибору модуль подключается по четырехпроводной схеме, аналогично подключению линейных дымовых извещателей с релейными выходами. Переход модуля в режим «ПОЖАР» происходит при замыкании проводников термокабеля. Возврат модуля в дежурный режим происходит автоматически после устранения причины, вызвавшей переход в режим «ПОЖАР». Сигнал «НЕИСПРАВНОСТЬ» формируется при обрыве термокабеля и при отключении напряжения питания, т.е. в дежурном режиме реле «Неисправность» находится под током. Интерфейсный модуль ПИМ-120 размещается в монтажном боксе из поликарбоната с прозрачной крышкой и герметизирующей прокладкой.
Технические характеристики Protectowire PIM-120
- Модель: PIM-120
- Тип: Интерфейсный модуль
- Рабочее напряжение: 24 В (+10% / -15%).
- Потребляемый ток:
в дежурном режиме, не более – 20 мА, при 24 В.
в режиме «ПОЖАР», не более – 40 мА, при 24 В. - Длина термокабеля: до 2000 м
- Величина оконечного резистора: 2,2 кОм + 5 %, 0,25 Вт
- Параметры контактов реле: 1 А, при напряжении =30 В
- Диапазон рабочих температур: от 0 °С до +49 °С
- Степень защиты оболочки, при использовании кабельных вводов: IP66
- Относительная влажность: до 95% без конденсации влаги
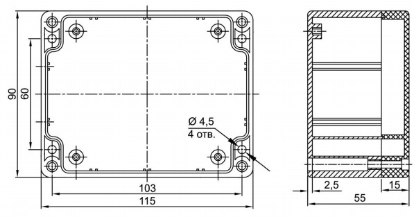
- Габаритные размеры модуля в боксе (высота х ширина х глубина): 115 x 90 x 55 мм
- Срок службы модуля: не менее 10 лет
Размеры монтажного бокса и расположение крепежных отверстий
Документация Protectowire PIM-120
ВНИМАНИЕ!! Минимальная сумма заказа 3000 руб.
В онлайн гипермаркете Device Den вы можете оплатить заказ через:
- Безналичный расчёт (доступен для юридических лиц)
- Оплата картой онлайн
Для выбора оплаты товара с помощью банковской карты на странице заказа необходимо выбрать способ оплаты «Оплата картой онлайн». Оплата происходит через платёжную систему Robokassa с использованием банковских карт следующих платежных систем: Мир, Visa и MasterCard
Принимаем оплату только в рублях. Цены всех товаров, кроме лицензий на программное обеспечение, включают в себя НДС.
Мы не принимаем карты American Express.
Описание процесса передачи данных
Для оплаты (ввода реквизитов Вашей карты) Вы будете перенаправлены на платёжный шлюз платежного сервиса Робокасса. Соединение с платёжным шлюзом и передача информации осуществляется в защищённом режиме с использованием протокола шифрования SSL. В случае если Ваш банк поддерживает технологию безопасного проведения интернет-платежей Verified By Visa, MasterCard SecureCode, MIR Accept, J-Secure для проведения платежа также может потребоваться ввод специального пароля.
Настоящий сайт поддерживает 256-битное шифрование. Конфиденциальность сообщаемой персональной информации обеспечивается платежным сервисом Робокасса. Введённая информация не будет предоставлена третьим лицам за исключением случаев, предусмотренных законодательством РФ. Проведение платежей по банковским картам осуществляется в строгом соответствии с требованиями платёжных систем МИР, Visa Int., MasterCard Europe Sprl, JCB.
Курьерская доставка в нашем магазине работает с 9:00 до 23:00 без выходных по Москве и ближайшей МО. Обратите внимание, что курьер передает товар для проверки только после оплаты и не консультирует по приобретённому товару. Доставка во все регионы России осуществляется круглосуточно с помощью транспортных компаний. Самовывоз из офиса доступен с пн-пт с 10:00 до 18:00.
- При сумме заказа менее 70 000 рублей - 590 рублей;
- При сумме заказа более 70 000 рублей - бесплатно.
- При сумме заказа менее 150 000 рублей - 890 рублей;
- При сумме заказа более 150 000 рублей - бесплатно.
Примечание! Есть исключения по отправке крупногабаритных грузов.
ВНИМАНИЕ! Отправка заказа в регионы России осуществляется только после 100% предоплаты.
- При наличии товара на складе доставка осуществляется на следующий день;
- Возможна экспресс доставка при оформлении заказа до 12:00 текущего дня;
- При отсутствии товара на складе сроки поставки уточняйте у менеджера.
- Срок доставки в регионы России может составлять от 1 до 14 дней в зависимости от удалённости региона и выбранного способа доставки.
Примечание! Возможна доставка товара до транспортной компании в день оформления заказа.





Примечание! По просьбе клиентов отправляем заказ любой другой транспортной компанией.
Теги: Protectowire PIM-120, Тип:Пожарный извещатель, Тип соединения устройств:Проводное, Степень защиты (IP):IP66, Комплектация:Пожарный извещать, Тип пожарного извещателя:Тепловой, Принцип обнаружения:Линейный