ELTIS VM400-4CL
- Производитель: ELTIS
- Пришлите полную спецификацию на почту zakaz@deviceden.ru и получите оптовую скидку.
- Срок доставки:1-2 дня
- Минимальный заказ:3000 руб.
- Мы принимаем:Безналичная оплата для юр. лиц

сертифицирован

дилер

доставка
Главные преимущества этого видеомонитора: простота, стильный внешний вид и очень доступная цена.
Ключевые отличия видеомонитора ELTIS VM400-4CL:
- видеомонитор изначально предназначенный для работы с домофонными системами, не требует адаптеров для работы с подъездными домофонами,
- дуплексная связь,
- одноканальный цветной видеомонитор, оптимально достаточный размер экрана 4,3 дюйма,
- возможность просмотра изображения без поднятия трубки, круговая подсветка кнопки монитора,
- выключатель сигнала вызова,
- светодиодная индикация при вызове,
- безопасное напряжение питания 12В, два варианта подключения питания: через адаптер в розетку 220В, или через клеммы разъема,
- один из самых тонких и стильных видеомониторов в классе эконом.
Функции видеомонитора
- Просмотр цветного видеоизображения на 4,3 TFT экране.
- Регулировка яркости, контрастности и цветности экрана.
- Прием сигнала вызова от БВ.
- Автоматическое включение экрана при поднятии трубки.
- Осуществление дуплексной связи абонент-посетитель.
- Открывание замка двери подъезда нажатием кнопки монитора.
- Вызов консьержа абонентом и осуществление дуплексной связи абонент-консьерж
Конструкция
Корпус ВМ выполнен из пластика ABS. Внешний вид ВМ приведен на рисунке 1. На лицевой стороне ВМ располагаются 4,3 TFT цветной экран, трубка, кнопка включения экрана.

Рис.1. Внешний вид видеомонитора VM400-4CL
Кнопка меню позволяет регулировать яркость, контрастность и цветность экрана ВМ с помощью кнопок больше и меньше.
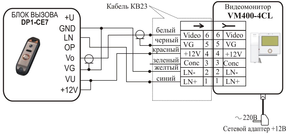
Разъем RJ-12(6Р6С) служит для подключения соединительного кабеля КВ23:

Внешний вид ВМ со снятой трубкой представлен на рис.2.

Рис.2. Внешний вид со снятой трубкой
Схемы подключения

Схема подключения VM400-4CL к DP1-CE7

Схема подключения VM400-4CL в составе многоабонентского домофонного комплекса
В комплект поставки видеомонитора VM400-4CL входят:
- Видеомонитор VM400-4CL - 1 шт.
- Комплект крепления КМ17 - 1 шт.
- Кабель КВ23 соединительный - 1 шт
- Инструкция пользователя - 1 шт.
- Руководство по эксплуатации* - 1 шт.
- Паспорт - 1 шт.
- Коробка упаковочная - 1 шт.
* Руководство по эксплуатации поставляется на партию ВМ
- Количество видеовходов: 1
- Тип экрана: 4,3 дюйма TFT-LCD, цветной
- Соотношение сторон: 16:9
- Система цветности: PAL/NTSC
- Разрешающая способность экрана: 480х272
- Видео вход: 0.81.6В, 75Ом
- Напряжение питания: =1113В
- Максимальная мощность потребления: 3 Вт
- Максимальное время, отведенное на разговор с посетителем: 90 сек.
- Габаритные размеры: 176 х 173 х 29мм
- Масса , кг: не более 0,4
ВНИМАНИЕ!! Минимальная сумма заказа 3000 руб.
В онлайн гипермаркете Device Den вы можете оплатить заказ через:
- Безналичный расчёт (доступен для юридических лиц)
- Оплата картой онлайн
Для выбора оплаты товара с помощью банковской карты на странице заказа необходимо выбрать способ оплаты «Оплата картой онлайн». Оплата происходит через платёжную систему Robokassa с использованием банковских карт следующих платежных систем: Мир, Visa и MasterCard
Принимаем оплату только в рублях. Цены всех товаров, кроме лицензий на программное обеспечение, включают в себя НДС.
Мы не принимаем карты American Express.
Описание процесса передачи данных
Для оплаты (ввода реквизитов Вашей карты) Вы будете перенаправлены на платёжный шлюз платежного сервиса Робокасса. Соединение с платёжным шлюзом и передача информации осуществляется в защищённом режиме с использованием протокола шифрования SSL. В случае если Ваш банк поддерживает технологию безопасного проведения интернет-платежей Verified By Visa, MasterCard SecureCode, MIR Accept, J-Secure для проведения платежа также может потребоваться ввод специального пароля.
Настоящий сайт поддерживает 256-битное шифрование. Конфиденциальность сообщаемой персональной информации обеспечивается платежным сервисом Робокасса. Введённая информация не будет предоставлена третьим лицам за исключением случаев, предусмотренных законодательством РФ. Проведение платежей по банковским картам осуществляется в строгом соответствии с требованиями платёжных систем МИР, Visa Int., MasterCard Europe Sprl, JCB.
Курьерская доставка в нашем магазине работает с 9:00 до 23:00 без выходных по Москве и ближайшей МО. Обратите внимание, что курьер передает товар для проверки только после оплаты и не консультирует по приобретённому товару. Доставка во все регионы России осуществляется круглосуточно с помощью транспортных компаний. Самовывоз из офиса доступен с пн-пт с 10:00 до 18:00.
- При сумме заказа менее 70 000 рублей - 590 рублей;
- При сумме заказа более 70 000 рублей - бесплатно.
- При сумме заказа менее 150 000 рублей - 890 рублей;
- При сумме заказа более 150 000 рублей - бесплатно.
Примечание! Есть исключения по отправке крупногабаритных грузов.
ВНИМАНИЕ! Отправка заказа в регионы России осуществляется только после 100% предоплаты.
- При наличии товара на складе доставка осуществляется на следующий день;
- Возможна экспресс доставка при оформлении заказа до 12:00 текущего дня;
- При отсутствии товара на складе сроки поставки уточняйте у менеджера.
- Срок доставки в регионы России может составлять от 1 до 14 дней в зависимости от удалённости региона и выбранного способа доставки.
Примечание! Возможна доставка товара до транспортной компании в день оформления заказа.





Примечание! По просьбе клиентов отправляем заказ любой другой транспортной компанией.
Теги: ELTIS, ELTIS VM400-4CL, Предзаказ, Диагональ экрана, 4.3, Тип, Комплектная дверная станция (домофон), Кол-во вызывных панелей, 1, Кол-во камер, 1, Кол-во мониторов, 1, Наличие трубки, Да, Встроенный блок питания, Да, Способ монтажа, Настенная, настольная модель, Технология/способ установки, Многопроводной, Система изображения, PAL, NTSC, Цвет внутреннего домофона, Белый, Тип связи, Одновременная передача и прием, Рабочая температура (мин), °C, От 0 до +35, Тип соединения устройства, Проводное, Количество внутренних домофонов, 1, 7 130 руб.