Сибирский арсенал Гранит-8C (Wi-Fi + GE)
- Производитель: Сибирский арсенал
- Пришлите полную спецификацию на почту zakaz@deviceden.ru и получите оптовую скидку.
- Срок доставки:1-2 дня
- Минимальный заказ:3000 руб.
- Мы принимаем:Безналичная оплата для юр. лиц

сертифицирован

дилер

доставка
Прибор приёмно-контрольный и управления охранно-пожарный Гранит-8С(GE) предназначен для работы в составе систем передачи извещений «Горизонт» и «ЛАВИНА» в качестве объектового прибора.
Прибор обеспечивает централизованную и локальную охрану объектов, оборудованных электроконтактными и токопотребляющими охранными и пожарными извещателями с передачей информации о тревожных сообщениях и прочих событиях с помощью встроенного WiFi-коммуникатора.
Особенности
| При использовании прибора в системе Лавина! Передача извещений происходит в формате SurGard. Прибор совместно с коммуникаторами программируется с компьютера ПЦН через USB. |
| При использовании прибора в системе Горизонт Прибор совместно с коммуникаторами программируется с компьютера ПЦН через USB или удаленно, используя каналы доставки извещений (первое программирование только через USB), Имеет обратный канал управления (поставить/снять зону или группу зон, перепоставить прибор, включить/выключить реле прибора), |
- автоматически, при определении событий «Пожар2», «Пожар1» в пожарном ШС,
- вручную с панели индикации и управления прибора (кнопка «ПУСК»),
- дистанционно, с помощью устройства дистанционного пуска, включенного в линию «УДП».
- кнопками «1»…«8» на панели индикации и управления прибора,
- электронными ключами Touch Memory через порт ТМ,
- удалённо с ПЦН,
- прибором можно также управлять proximity-картами, набором цифрового кода кнопками, брелоками и/или ключами ТМ с помощью считывателя «Портал» производства ООО НПО «Сибирский Арсенал» (приобретается отдельно). С более подробной информацией о считывателях Вы можете ознакомиться в соответствующих руководствах по эксплуатации на нашем сайте в разделе «Документация». ВНИМАНИЕ! Считыватель «Портал» требует питания 12 В.
- или от сети 220 В с обязательным использованием встроенной аккумуляторной батареи (4,5 или 7 Ач). При этом не должен быть подключен внешний резервированный источник питания.
- или от внешнего резервированного источника питания +12 В и током не менее 0,7 А. При этом сеть 220 В и встроенная аккумуляторная батарея должны быть отключены.
Поддерживает все алгоритмы работы (А, В и С) согласно свода правил СП 484.1311500.2020 'Системы противопожарной защиты. Системы пожарной сигнализации и автоматизация систем противопожарной защиты. Нормы и правила проектирования', действующего с 01.03.2021 г.
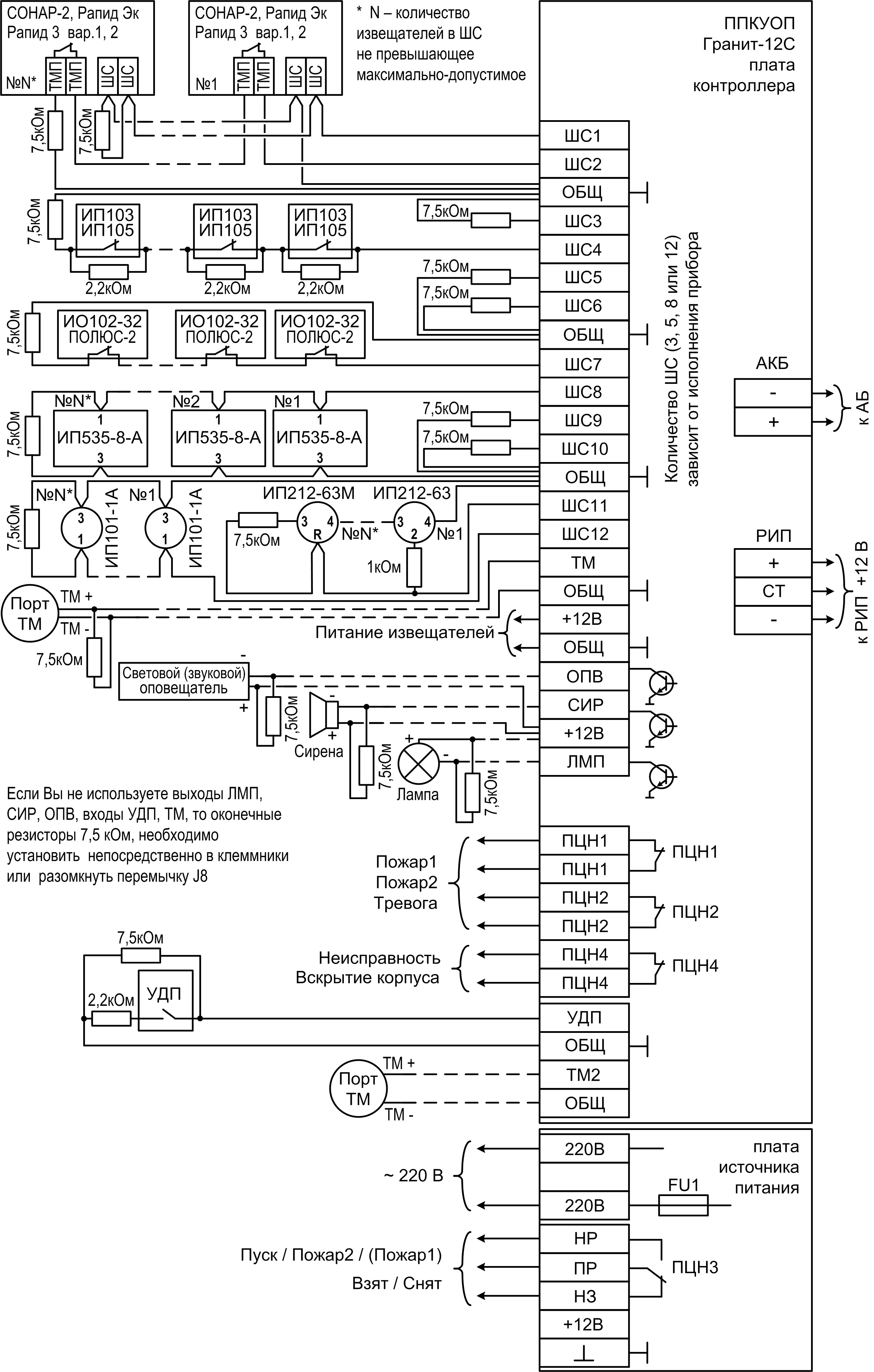
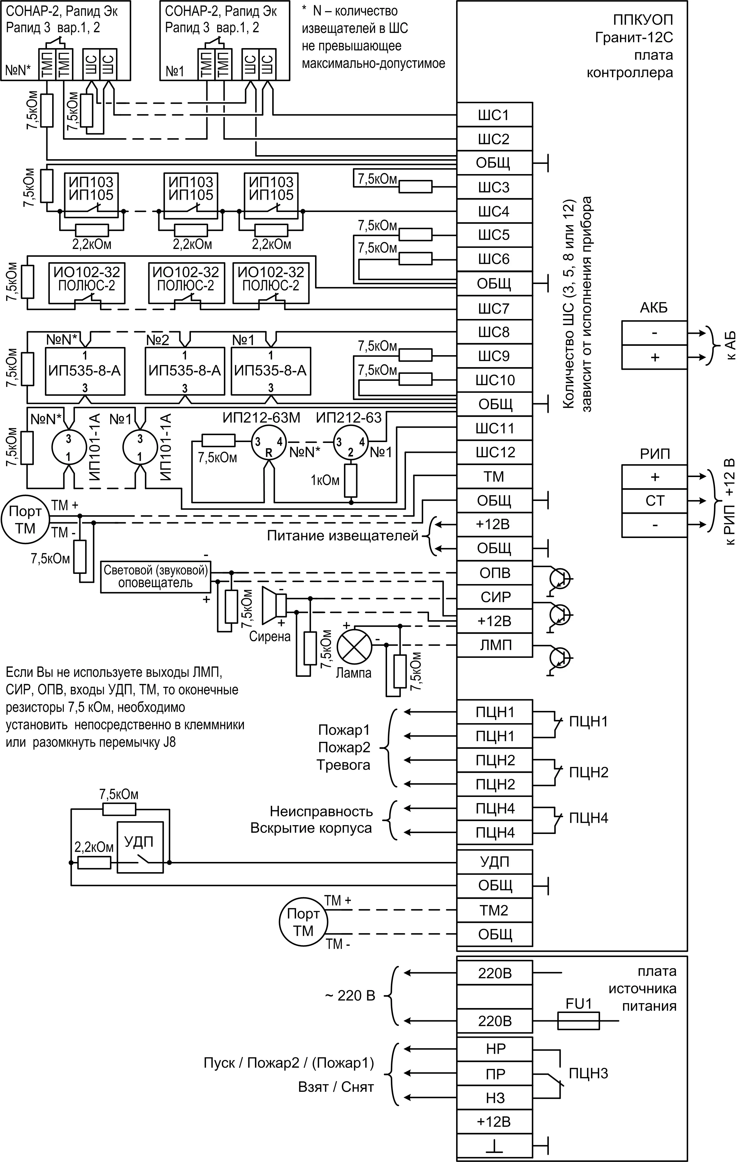
Схема внешних подключений ППКУОП Гранит-С

- Количество шлейфов сигнализации: 8
- Емкость буфера извещений (количество событий в памяти прибора): 40
- Ёмкость памяти кодов идентификаторов (макс. кол-во электронных ключей) (ключи ТМ / proximity-карты* / цифровые коды / брелоки): 64
- Время доставки извещений: от 5 с
- Напряжение на входе ШС при номинальном сопротивлении шлейфа (7,5 кОм ): 19,5 ± 0,5 В
- Суммарная токовая нагрузка в ШС в дежурном режиме, не более: 1,5 мА
- Напряжение / ток выходов реле ПЦН1, ПЦН2, ПЦН4, до: 100 В / 100 мА
- Напряжение / ток выхода реле ПЦН3, до: ~ 250 В / 3 А
- Максимально допустимый общий ток потребления по выходу +12 В: 1,5 А
- Напряжение питания от сети (переменный ток 50 Гц): от 110 до 242 В
- Мощность, потребляемая от сети, не более: 15 ВА
- Напряжение питания от аккумуляторной батареи: от 11,8 до 14,0 В
- Номинальная ёмкость аккумуляторной батареи: 7 или 4,5 Ач
- Ток потребления от аккумуляторной батареи в дежурном режиме (при отсутствии внешних потребителей), не более: 75 мА
- Ток потребления от аккумуляторной батареи в режиме «Пуск», «Пожар», «Тревога», не более: 95 мА
- Масса без АБ, не более: 700 г
- Габаритные размеры, не более: 250x210x80 мм
- Степень защиты, не менее: IP20 (IP40)
- Срок службы, лет: 10
- Диапазон рабочих температур: от –30 до +55°
ВНИМАНИЕ!! Минимальная сумма заказа 3000 руб.
В онлайн гипермаркете Device Den вы можете оплатить заказ через:
- Безналичный расчёт (доступен для юридических лиц)
- Оплата картой онлайн
Для выбора оплаты товара с помощью банковской карты на странице заказа необходимо выбрать способ оплаты «Оплата картой онлайн». Оплата происходит через платёжную систему Robokassa с использованием банковских карт следующих платежных систем: Мир, Visa и MasterCard
Принимаем оплату только в рублях. Цены всех товаров, кроме лицензий на программное обеспечение, включают в себя НДС.
Мы не принимаем карты American Express.
Описание процесса передачи данных
Для оплаты (ввода реквизитов Вашей карты) Вы будете перенаправлены на платёжный шлюз платежного сервиса Робокасса. Соединение с платёжным шлюзом и передача информации осуществляется в защищённом режиме с использованием протокола шифрования SSL. В случае если Ваш банк поддерживает технологию безопасного проведения интернет-платежей Verified By Visa, MasterCard SecureCode, MIR Accept, J-Secure для проведения платежа также может потребоваться ввод специального пароля.
Настоящий сайт поддерживает 256-битное шифрование. Конфиденциальность сообщаемой персональной информации обеспечивается платежным сервисом Робокасса. Введённая информация не будет предоставлена третьим лицам за исключением случаев, предусмотренных законодательством РФ. Проведение платежей по банковским картам осуществляется в строгом соответствии с требованиями платёжных систем МИР, Visa Int., MasterCard Europe Sprl, JCB.
Курьерская доставка в нашем магазине работает с 9:00 до 23:00 без выходных по Москве и ближайшей МО. Обратите внимание, что курьер передает товар для проверки только после оплаты и не консультирует по приобретённому товару. Доставка во все регионы России осуществляется круглосуточно с помощью транспортных компаний. Самовывоз из офиса доступен с пн-пт с 10:00 до 18:00.
- При сумме заказа менее 70 000 рублей - 590 рублей;
- При сумме заказа более 70 000 рублей - бесплатно.
- При сумме заказа менее 150 000 рублей - 890 рублей;
- При сумме заказа более 150 000 рублей - бесплатно.
Примечание! Есть исключения по отправке крупногабаритных грузов.
ВНИМАНИЕ! Отправка заказа в регионы России осуществляется только после 100% предоплаты.
- При наличии товара на складе доставка осуществляется на следующий день;
- Возможна экспресс доставка при оформлении заказа до 12:00 текущего дня;
- При отсутствии товара на складе сроки поставки уточняйте у менеджера.
- Срок доставки в регионы России может составлять от 1 до 14 дней в зависимости от удалённости региона и выбранного способа доставки.
Примечание! Возможна доставка товара до транспортной компании в день оформления заказа.





Примечание! По просьбе клиентов отправляем заказ любой другой транспортной компанией.
Теги: Сибирский арсенал Гранит-8C (Wi-Fi + GE), Серия:Лавина, Тип оборудования:Объектовый прибор