Рубеж ШУН/В-3-03-УК45-R3
- Производитель: Рубеж
- Пришлите полную спецификацию на почту zakaz@deviceden.ru и получите оптовую скидку.
- Срок доставки:1-2 дня
- Минимальный заказ:3000 руб.
- Мы принимаем:Безналичная оплата для юр. лиц

сертифицирован

дилер

доставка
Особенности модели:
- Назначение: ШУ - шкаф управления Н/В насос/вентилятор
- Тип электросети: трехфазная переменного тока 400 В
- Мощность электродвигателя, кВт: 3кВт
- Силовые элементы автоматики: производитель Dekraft, без теплового расцепителя
- Дополнительные функции: управление калорифером
- Мощность калорифера: от 30,1 до 45 кВт
- Работа в адресной системе: для подключения в АЛС приборов протокола R3
ШУН/В-УК-R3 предназначен для управления работой электродвигателя вентилятора приточной вентиляции (подпором воздуха) и двухступенчатым (одноступенчатым) калорифером подогрева воздуха в системе противопожарной защиты использующей протокол обмена RS-R3.
Работа ШУ в режиме управления электродвигателем не отличается от работы обычного ШУН/В (без дополнительной функции управления калорифером). ШУН/В-УК-.R3 обеспечивает работу с трехфазными электродвигателями номинальной мощностью от 0,18 кВт до 45 кВт и однофазными электродвигателями номинальной мощностью от 0,18 кВт до 3 кВт.
ШУН/В-УК-R3 реализует следующие функции:
- Включения и отключения электродвигателя вентилятора по командам от прибора Рубеж-2ОП прот.R3,
- Включения и отключения электродвигателя вентилятора по командам ручного управления с кнопок на панели ШУ или кнопок дистанционного управления,
- Контроля температуры приточного воздуха и включения, при необходимости, ТЭНов управления калорифером,
- Контроля исправности электропитания, основных электрических цепей ШУ, цепей входных сигналов от датчиков, цепи питания электродвигателя и ТЭН на обрыв,
- Световой индикации режимов работы и состояния ШУН/В-УК-R3.
ШУН/В прот.R3 может находиться в следующих режимах управления:
- Автоматический, когда управление работой электродвигателя осуществляется по командам с ППКПУ.
- Ручной, когда управление работой осуществляется с панели управления кнопками Пуск и Стоп.
- Отключен, когда контактор обесточен и пуск электродвигателя невозможен.
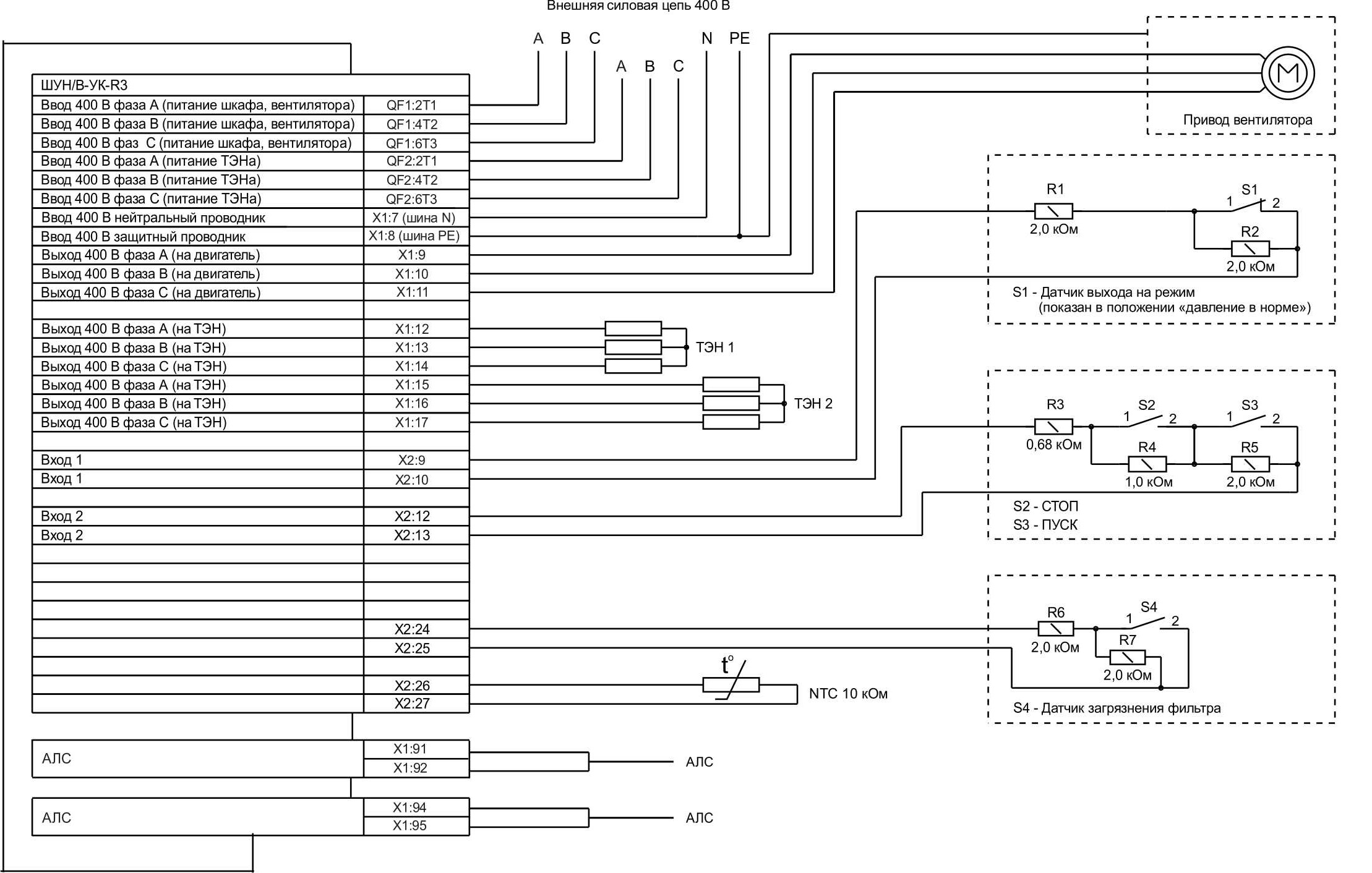
Схема внешних подключений к шкафу управления ШУН/В-УК прот.R3

Шкаф управления насосом или вентилятором ШУН/В-УК-R3, в зависимости от исполнения, может иметь следующие обозначения:

1 Назначение: ШУ - шкаф управления Н/В насос/вентилятор.
2 Тип электросети: О однофазная переменного тока 230 В, при отсутствии индекса - трехфазная переменного тока 400 В.
3 Мощность электродвигателя, кВт:
4 Силовые элементы автоматики:
- 01 производитель Schneider Electric,
- 03 производитель Dekraft, без теплового расцепителя,
5 Дополнительные функции: УК управление калорифером.
6 Мощность калорифера:
- 6 от 1 до 6 кВт,
- 15 от 6,1 до 15 кВт,
- 30 от 15,1 до 30 кВт,
- 45 от 30,1 до 45 кВт.
7 Работа в адресной системе: R3 для подключения в АЛС приборов протокола R3.
- Напряжение питания, В: 400
- Ток потребления от АЛС, мА, не более: 0.21
- Мощность калорифера, кВт, не более: 45
- Управление калорифером: Да
- Мощность подключаемого электродвигателя, кВт: 3
- Собственная потребляемая мощность от сети, ВА, не более: 100
- Степень защиты оболочки: IP31/IP54
- Тип системы заземления: TN-C/ТN-S
- Масса, кг, не более: 20
- Ширина, мм, не более: 660
- Высота, мм, не более: 510
- Глубина, мм, не более: 240
- Средний срок службы, лет: 10
- Диапазон рабочих температур, С: от -25 до +55
ВНИМАНИЕ!! Минимальная сумма заказа 3000 руб.
В онлайн гипермаркете Device Den вы можете оплатить заказ через:
- Безналичный расчёт (доступен для юридических лиц)
- Оплата картой онлайн
Для выбора оплаты товара с помощью банковской карты на странице заказа необходимо выбрать способ оплаты «Оплата картой онлайн». Оплата происходит через платёжную систему Robokassa с использованием банковских карт следующих платежных систем: Мир, Visa и MasterCard
Принимаем оплату только в рублях. Цены всех товаров, кроме лицензий на программное обеспечение, включают в себя НДС.
Мы не принимаем карты American Express.
Описание процесса передачи данных
Для оплаты (ввода реквизитов Вашей карты) Вы будете перенаправлены на платёжный шлюз платежного сервиса Робокасса. Соединение с платёжным шлюзом и передача информации осуществляется в защищённом режиме с использованием протокола шифрования SSL. В случае если Ваш банк поддерживает технологию безопасного проведения интернет-платежей Verified By Visa, MasterCard SecureCode, MIR Accept, J-Secure для проведения платежа также может потребоваться ввод специального пароля.
Настоящий сайт поддерживает 256-битное шифрование. Конфиденциальность сообщаемой персональной информации обеспечивается платежным сервисом Робокасса. Введённая информация не будет предоставлена третьим лицам за исключением случаев, предусмотренных законодательством РФ. Проведение платежей по банковским картам осуществляется в строгом соответствии с требованиями платёжных систем МИР, Visa Int., MasterCard Europe Sprl, JCB.
Курьерская доставка в нашем магазине работает с 9:00 до 23:00 без выходных по Москве и ближайшей МО. Обратите внимание, что курьер передает товар для проверки только после оплаты и не консультирует по приобретённому товару. Доставка во все регионы России осуществляется круглосуточно с помощью транспортных компаний. Самовывоз из офиса доступен с пн-пт с 10:00 до 18:00.
- При сумме заказа менее 70 000 рублей - 590 рублей;
- При сумме заказа более 70 000 рублей - бесплатно.
- При сумме заказа менее 150 000 рублей - 890 рублей;
- При сумме заказа более 150 000 рублей - бесплатно.
Примечание! Есть исключения по отправке крупногабаритных грузов.
ВНИМАНИЕ! Отправка заказа в регионы России осуществляется только после 100% предоплаты.
- При наличии товара на складе доставка осуществляется на следующий день;
- Возможна экспресс доставка при оформлении заказа до 12:00 текущего дня;
- При отсутствии товара на складе сроки поставки уточняйте у менеджера.
- Срок доставки в регионы России может составлять от 1 до 14 дней в зависимости от удалённости региона и выбранного способа доставки.
Примечание! Возможна доставка товара до транспортной компании в день оформления заказа.





Примечание! По просьбе клиентов отправляем заказ любой другой транспортной компанией.