Болид ШКП-75(IP54)
- Производитель: Болид
- Пришлите полную спецификацию на почту zakaz@deviceden.ru и получите оптовую скидку.
- Срок доставки:1-2 дня
- Минимальный заказ:3000 руб.
- Мы принимаем:Безналичная оплата для юр. лиц

сертифицирован

дилер

доставка
Особенности:
- Возможность работы в режимах ручного и автоматического управления. В автоматическом режиме шкаф управляется подачей напряжения 24 В внешними цепями
- Контроль действующего значения 3-х фазного напряжения и величины фазового сдвига на вводе электропитания
- Контроль исправности цепей управления двигателем
- Отображение режимов 'Авария питания', 'Автоматика откл.', 'Двигатель включ.', 'Неисправность' на встроенных световых индикаторах. Индикатор 'Неисправность' управляется подачей напряжения 24 В внешними цепями
- Плавный запуск и останов электродвигателей до 30 кВт (ШКП-30) от 100 до 250 кВт с возможность ограничения пусковых токов (ШКП-250)
- 3 сигнальных выхода для передачи сигналов 'Питание', 'Автоматика', 'Двигатель' на устройство управления ('Поток-3Н', 'С2000-4' или другое)
- Приборы автоматики могут быть выполнены из комплектующих ABB, SchneiderElectric (по предварительному согласованию)
- Автоматические выключатели могут поставляться в составе шкафа с характеристикой 'D' (по предварительному согласованию)
- Возможность изготовления шкафов с устройствами плавного пуска от 1 до 250 кВт (по предварительному согласованию)
Внутреннее устройство шкафа
Шкаф конструктивно выполнен в металлическом корпусе, внутри которого размещены:
1 – выключатель автоматический (QF),
2 – контактор (А3),
3 – реле контроля напряжений и фаз (РКНФ) (А1),
4 – замок электромеханический (S1),
5 – кнопка управления «Стоп» (S2),
6 – кнопка управления «Пуск» (S3),
7 – плата индикации (А2),
8 – клемма «Нейтраль» (N),
9 – клемма «Земля».
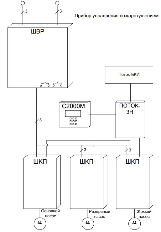
Схема электрическая подключения шкафа при эксплуатации
Комплект поставки
- Шкаф контрольно-пусковой ШКП-75 IP54 – 1 шт.
- Паспорт АЦДР.425412.008-05 IP54 ПС – 1 экз.
- Шуруп 870.019 – 4 шт. 4
- Дюбель 1260 S – 4 шт.
- Ключ к электромеханическому замку – 2 шт.
- Ключ к корпусу – 2 шт.
- Кабельный ввод PG-21 – 6 шт.
- Упаковка – 1 шт.
ВНИМАНИЕ!! Минимальная сумма заказа 3000 руб.
В онлайн гипермаркете Device Den вы можете оплатить заказ через:
- Безналичный расчёт (доступен для юридических лиц)
- Оплата картой онлайн
Для выбора оплаты товара с помощью банковской карты на странице заказа необходимо выбрать способ оплаты «Оплата картой онлайн». Оплата происходит через платёжную систему Robokassa с использованием банковских карт следующих платежных систем: Мир, Visa и MasterCard
Принимаем оплату только в рублях. Цены всех товаров, кроме лицензий на программное обеспечение, включают в себя НДС.
Мы не принимаем карты American Express.
Описание процесса передачи данных
Для оплаты (ввода реквизитов Вашей карты) Вы будете перенаправлены на платёжный шлюз платежного сервиса Робокасса. Соединение с платёжным шлюзом и передача информации осуществляется в защищённом режиме с использованием протокола шифрования SSL. В случае если Ваш банк поддерживает технологию безопасного проведения интернет-платежей Verified By Visa, MasterCard SecureCode, MIR Accept, J-Secure для проведения платежа также может потребоваться ввод специального пароля.
Настоящий сайт поддерживает 256-битное шифрование. Конфиденциальность сообщаемой персональной информации обеспечивается платежным сервисом Робокасса. Введённая информация не будет предоставлена третьим лицам за исключением случаев, предусмотренных законодательством РФ. Проведение платежей по банковским картам осуществляется в строгом соответствии с требованиями платёжных систем МИР, Visa Int., MasterCard Europe Sprl, JCB.
Курьерская доставка в нашем магазине работает с 9:00 до 23:00 без выходных по Москве и ближайшей МО. Обратите внимание, что курьер передает товар для проверки только после оплаты и не консультирует по приобретённому товару. Доставка во все регионы России осуществляется круглосуточно с помощью транспортных компаний. Самовывоз из офиса доступен с пн-пт с 10:00 до 18:00.
- При сумме заказа менее 70 000 рублей - 590 рублей;
- При сумме заказа более 70 000 рублей - бесплатно.
- При сумме заказа менее 150 000 рублей - 890 рублей;
- При сумме заказа более 150 000 рублей - бесплатно.
Примечание! Есть исключения по отправке крупногабаритных грузов.
ВНИМАНИЕ! Отправка заказа в регионы России осуществляется только после 100% предоплаты.
- При наличии товара на складе доставка осуществляется на следующий день;
- Возможна экспресс доставка при оформлении заказа до 12:00 текущего дня;
- При отсутствии товара на складе сроки поставки уточняйте у менеджера.
- Срок доставки в регионы России может составлять от 1 до 14 дней в зависимости от удалённости региона и выбранного способа доставки.
Примечание! Возможна доставка товара до транспортной компании в день оформления заказа.





Примечание! По просьбе клиентов отправляем заказ любой другой транспортной компанией.