PERCo-ST-02.600/900
- Производитель: PERCo
- Пришлите полную спецификацию на почту zakaz@deviceden.ru и получите оптовую скидку.
- Срок доставки:1-2 дня
- Минимальный заказ:3000 руб.
- Мы принимаем:Безналичная оплата для юр. лиц

сертифицирован

дилер

доставка
PERCo-ST-02.600/900 - турникет 'Скоростной проход' для эксплуатации в закрытых помещениях. Для организации проходной со смежными зонами прохода разной ширины (600 и 900 мм). Исполнение: нержавеющая сталь
Комплект поставки: Секция-MASTER, секция-SLAVE, комплект створок из закаленного стекла, пульт управления.
При разрешающем сигнале открытия турникета створки раздвигаются.
Для увеличения количества зон прохода устанавливаются двусторонние секции STD-02. Система слежения снабжена двумя уровнями инфракрасных датчиков, 30 пар расположены на верхнем уровне и 30 на нижнем, что делает проход через турникет безопасным даже в условиях интенсивного потока людей, а также защищает от прохода двух и более человек «паровозиком» по одному пропуску.
При подаче аварийного сигнала или при отключении питания створки турникета открываются.
Индикация направления прохода расположена на торцах корпусов стоек турникета. Индикация состояния турникета (открыто/закрыто) размещена на крышках стоек.
Предусмотрена возможность установки считывателей под крышки стоек.
Турникет может работать как автономно, от пульта управления или устройства радиоуправления, так и под управлением системы контроля доступа. Пульт управления входит в стандартный комплект поставки.
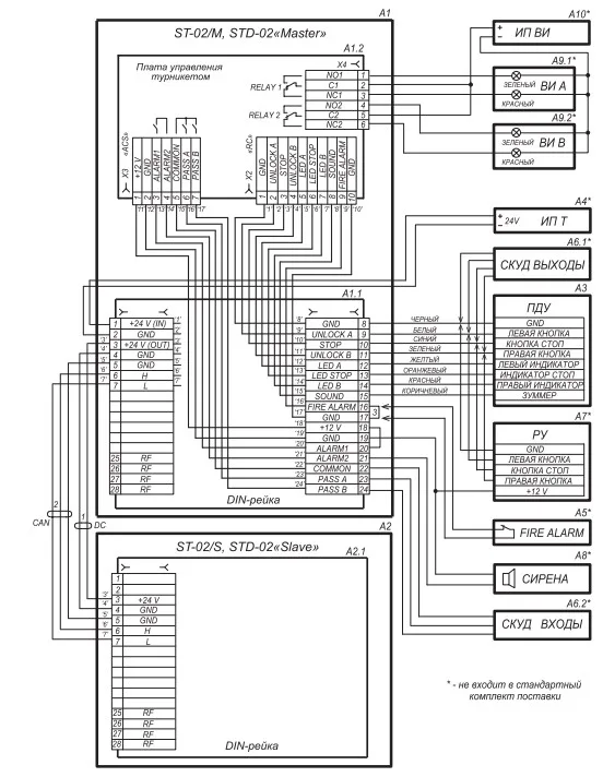
Схема подключений скоростного прохода PERCo-ST-02

ВНИМАНИЕ!! Минимальная сумма заказа 3000 руб.
В онлайн гипермаркете Device Den вы можете оплатить заказ через:
- Безналичный расчёт (доступен для юридических лиц)
- Оплата картой онлайн
Для выбора оплаты товара с помощью банковской карты на странице заказа необходимо выбрать способ оплаты «Оплата картой онлайн». Оплата происходит через платёжную систему Robokassa с использованием банковских карт следующих платежных систем: Мир, Visa и MasterCard
Принимаем оплату только в рублях. Цены всех товаров, кроме лицензий на программное обеспечение, включают в себя НДС.
Мы не принимаем карты American Express.
Описание процесса передачи данных
Для оплаты (ввода реквизитов Вашей карты) Вы будете перенаправлены на платёжный шлюз платежного сервиса Робокасса. Соединение с платёжным шлюзом и передача информации осуществляется в защищённом режиме с использованием протокола шифрования SSL. В случае если Ваш банк поддерживает технологию безопасного проведения интернет-платежей Verified By Visa, MasterCard SecureCode, MIR Accept, J-Secure для проведения платежа также может потребоваться ввод специального пароля.
Настоящий сайт поддерживает 256-битное шифрование. Конфиденциальность сообщаемой персональной информации обеспечивается платежным сервисом Робокасса. Введённая информация не будет предоставлена третьим лицам за исключением случаев, предусмотренных законодательством РФ. Проведение платежей по банковским картам осуществляется в строгом соответствии с требованиями платёжных систем МИР, Visa Int., MasterCard Europe Sprl, JCB.
Курьерская доставка в нашем магазине работает с 9:00 до 23:00 без выходных по Москве и ближайшей МО. Обратите внимание, что курьер передает товар для проверки только после оплаты и не консультирует по приобретённому товару. Доставка во все регионы России осуществляется круглосуточно с помощью транспортных компаний. Самовывоз из офиса доступен с пн-пт с 10:00 до 18:00.
- При сумме заказа менее 70 000 рублей - 590 рублей;
- При сумме заказа более 70 000 рублей - бесплатно.
- При сумме заказа менее 150 000 рублей - 890 рублей;
- При сумме заказа более 150 000 рублей - бесплатно.
Примечание! Есть исключения по отправке крупногабаритных грузов.
ВНИМАНИЕ! Отправка заказа в регионы России осуществляется только после 100% предоплаты.
- При наличии товара на складе доставка осуществляется на следующий день;
- Возможна экспресс доставка при оформлении заказа до 12:00 текущего дня;
- При отсутствии товара на складе сроки поставки уточняйте у менеджера.
- Срок доставки в регионы России может составлять от 1 до 14 дней в зависимости от удалённости региона и выбранного способа доставки.
Примечание! Возможна доставка товара до транспортной компании в день оформления заказа.





Примечание! По просьбе клиентов отправляем заказ любой другой транспортной компанией.
Теги: PERCo, PERCo-ST-02.600/900, Ожидание 2-3 дня, Планки в комплекте, Да, Встроенный считыватель, Нет, Антипаника, Да, Назначение, Внутренний, Вращение, Любое, Встроенный картоприемник, Нет, 1 053 542 руб.